EasyManua.ls Logo

Daikin DZ20VC - Wiring Diagram - 2 Tons (DZ20 VC0241**)

Daikin DZ20VC
112 pages
Print Icon
To Next Page IconTo Next Page
To Next Page IconTo Next Page
To Previous Page IconTo Previous Page
To Previous Page IconTo Previous Page
Loading...
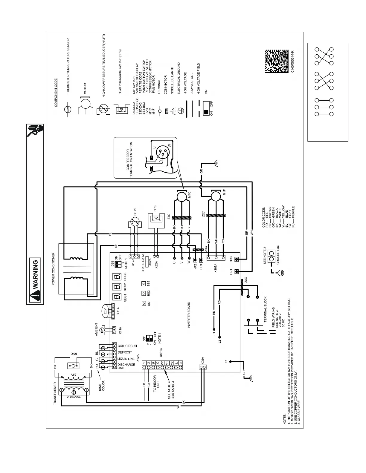
WIRING DIAGRAM
79
HIGH VOLTAGE!
DISCONNECT ALL POWER BEFORE SERVICING OR INSTALLING THIS
UNIT. MULTIPLE POWER SOURCES MAY BE PRESENT. FAILURE TO
DO SO MAY CAUSE PROPERTY DAMAGE, PERSONAL INJURY OR DEATH.
Wiring is subject to change. Always refer to the wiring diagram on the unit for the most up-to-date wiring.
DZ20VC0241**
- 2 T
ONS
Control Board
Ter minal sid e
Compressor
Te r m i n a l s i d e
UVW
UVW
UVW
UVW
UVW
UVW
Wiring
connection 1
Wiring
connection 2
Wiring
connection 3
NOTE: The compressor can operate normally in any of the following wiring connections shown on the right.
(Wiring connection between control board and compressor terminal)

Table of Contents

Related product manuals