EasyManua.ls Logo

Daikin DZ20VC - Refrigerant Cycle Diagrams

Daikin DZ20VC
112 pages
Print Icon
To Next Page IconTo Next Page
To Next Page IconTo Next Page
To Previous Page IconTo Previous Page
To Previous Page IconTo Previous Page
Loading...
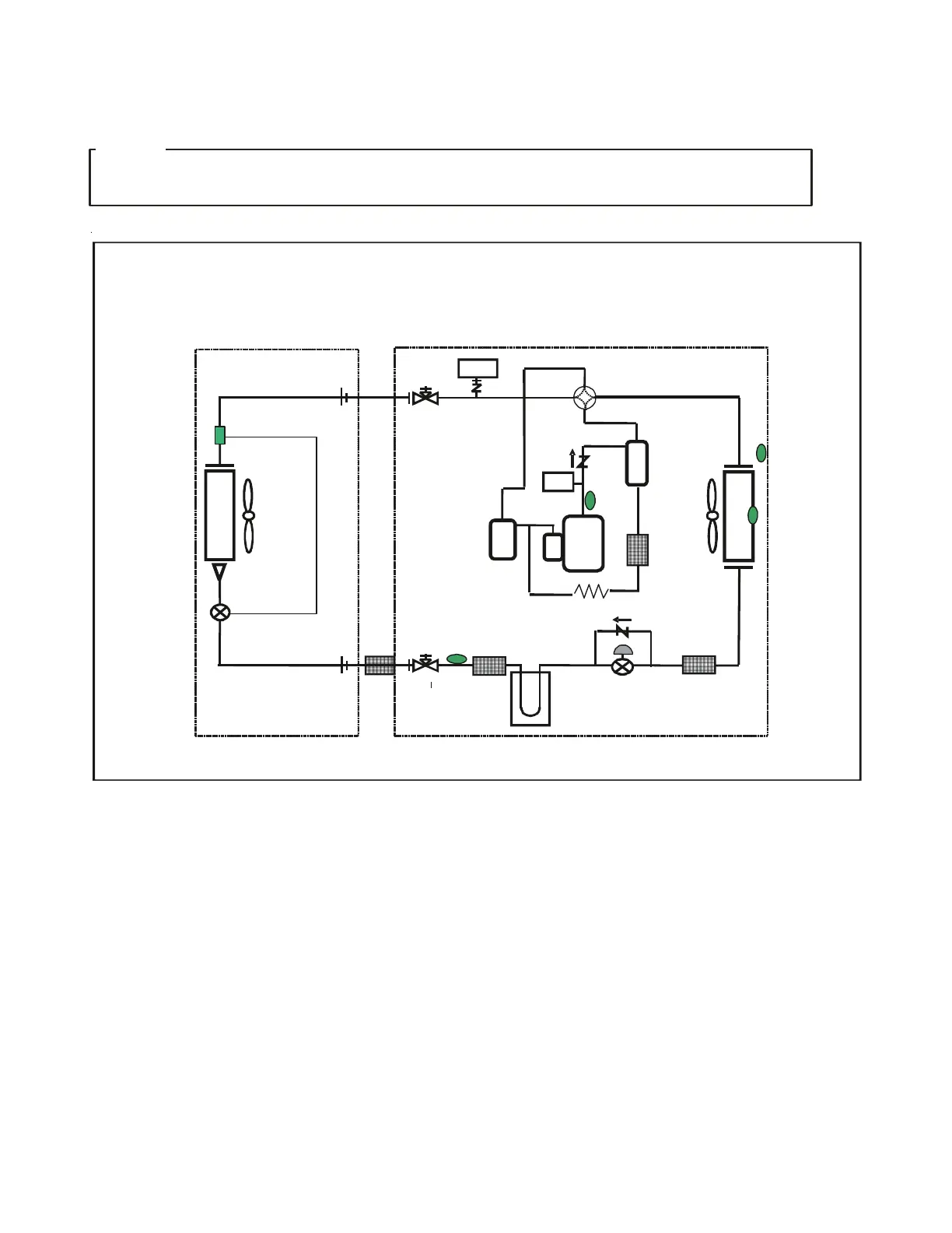
SYSTEM OPERATION
15
LEGEND:
Tl = Thermistor (Outdoor Liquid Temperature)
Td = Thermistor (Discharge Temperature)
Ta = Thermistor
(
Outdoor Air Tem
p
erature
)
HP/LP sensor = High/Low Pressure Sensor
HPS = High Pressure Switch
Tm = Thermistor (Outdoor Coil Temperature)
Piping Diagram with TXV applicable indoor unit
Hex
Fan
Motor
Filter
dryer
Stop
Valv e
(Liquid)
Ball Valve
(Gas)
Fan
Motor
Hex
HP/LP
HP/LP sensor
Tm
Thermistor
Ref cooling
Ta Thermistor
Outdoor unit
Indoor unit
TXV
Check
valve
Td Thermistor
Filter
Compressor
Capillary tube
HPS
Oil
separator
Accumulator
T Thermistor
Reversing
Va l v e
Check
valve
EEV
Filter
Filter
HE PECIFICATION OF OR EARLIER MODELS ARE DIFFERENT FROM THIS SPECIFICATION OR DETAILS SEE THE SERVICE
MANUAL THAT MATCHES THE MAJOR REVISION OF MODEL NAME
T S DZ20VC0601B* . F ,
.
NOTICE
COOLING CYCLE

Table of Contents