EasyManua.ls Logo

Daikin DZ20VC - Page 52

Daikin DZ20VC
112 pages
Print Icon
To Next Page IconTo Next Page
To Next Page IconTo Next Page
To Previous Page IconTo Previous Page
To Previous Page IconTo Previous Page
Loading...
SERVICING
52
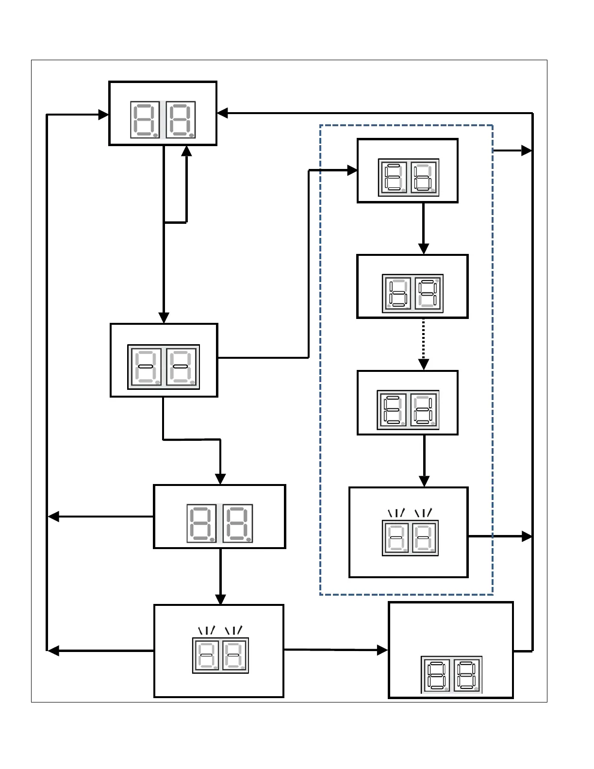
TROUBLESHOOTING-INDOOR UNIT FOR EEV APPLICABLE UNIT
<SCREENZERO>
Release Fault
Recall in between
5to 10sec
Release Fault
Recall in between
10 to 15 sec
Release Fault
Recall after 15 sec
Hold Fault Recall for
more than 10 sec
Solid Display
<SCREENZERO>
Hold Fault
Recall for more
than 2 sec
Release Fault
Recall between 2
to 5 sec
Hold Fault
Recall for more
than 5 sec
Flashing Display
First Error Code
Last Error Code
Press Fault Recall
for Error Code
Press Fault Recall
for Error Code
Press Fault Recall
to complete list
Release Fault
Recall in less
than 2 sec
Flashing Display
Solid Display 88” for
3 sec before erasing all
Diagnostic Codes
Second Error Code
0.2 sec ON 0.2 sec OFF
0.5secON–0.25secOFF
Idle
for
3
mins.
SETTING THE MODE DISPLAY

Table of Contents

Related product manuals