EasyManua.ls Logo

Daikin DZ20VC - Settings Mode 2 Navigation

Daikin DZ20VC
112 pages
Print Icon
To Next Page IconTo Next Page
To Next Page IconTo Next Page
To Previous Page IconTo Previous Page
To Previous Page IconTo Previous Page
Loading...
65
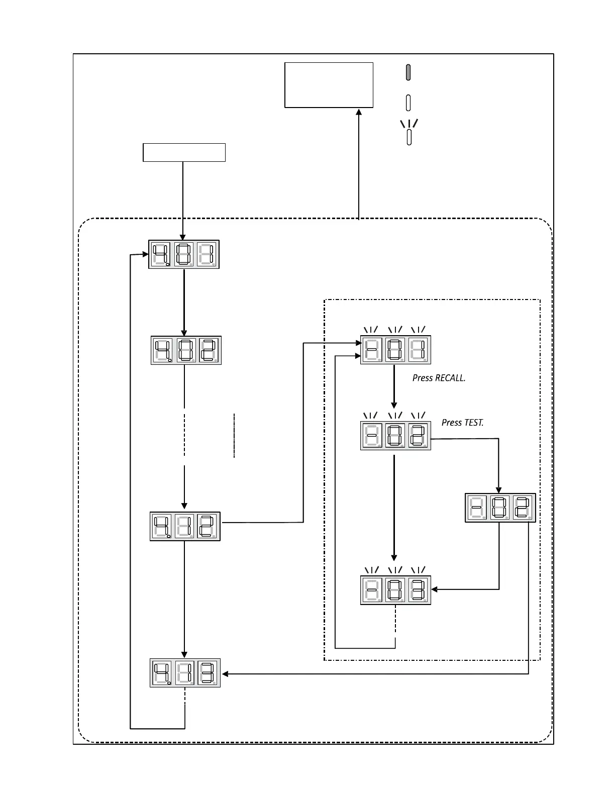
SETTING THE MODE DISPLAY-OUTDOOR UNIT
Press LEARN.
< Changing setting display >
Hold RECALL and TEST.
< SCREEN 4 >
SETTINGS MODE 2
< SCREEN 2 >
Press RECALL
to increase the number.
Press RECALL.
Press TEST
to change setting.
Press
RECALL
Press TEST to complete setting and return to setting mode.
Press
RECALL.
Press RECALL.
Press RECALL.
< SCREEN 0 >
OFF
ON
Blink interval:
0.4 sec. On - 0.4 sec. Off
Press RECALL.
Press RECALL.
< SCREEN 4 >
Setting Mode 2 allows the user to
change system settings. See table
in back of this section.

Table of Contents

Related product manuals