EasyManua.ls Logo

Danfoss Turbocor Twin-Turbine TTS Series - Figure 16-6 TTH;TGH Second Stage Housing View; Figure 16-7 TTH;TGH Discharge Side View

Danfoss Turbocor Twin-Turbine TTS Series
114 pages
To Next Page IconTo Next Page
To Next Page IconTo Next Page
To Previous Page IconTo Previous Page
To Previous Page IconTo Previous Page
Loading...
82 of 114
M-AP-001-EN Rev. Q
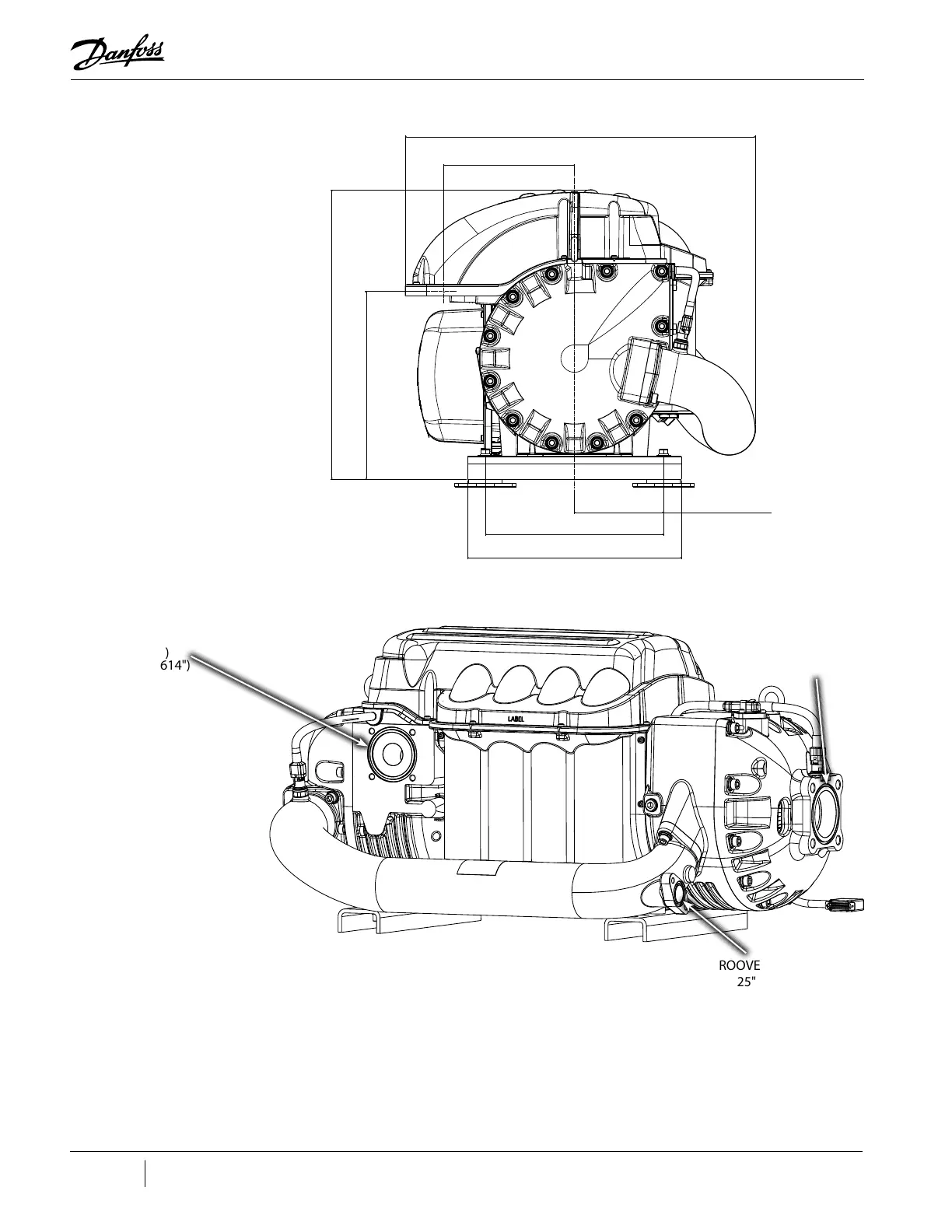
Figure 16-6 TTH/TGH Second Stage Housing View
Figure 16-7 TTH/TGH Discharge Side View
Front view
Scale: 1:1
150(5.9”)
300(11.81”)
360(14.17”)
316.1(12.44”)
487.23(19.18”)
220(8.66”)
589.56(23.21”)
O-RING GROOVE
OD: 88.9 (3.499")
WIDTH: 4.1 (0.1614")
ID: 80.7 (3.177")
O-RING GROOVE
OD: 41.3 (1.625")
WIDTH: 4.1 (0.1614")
ID: 33.1 (1.30")
O-RING GROOVE
OD: 98.4 (3.87")
ID: 90.2 (3.55")
Width: 4.1 (0.16")

Table of Contents

Related product manuals