EasyManua.ls Logo

Danfoss VLT HVAC - Page 36

Danfoss VLT HVAC
200 pages
Print Icon
To Next Page IconTo Next Page
To Next Page IconTo Next Page
To Previous Page IconTo Previous Page
To Previous Page IconTo Previous Page
Loading...
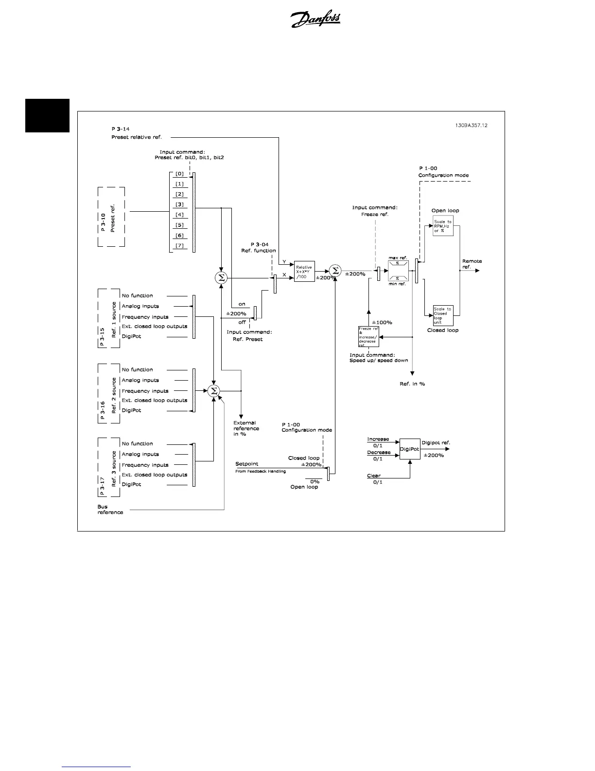
2.8.7 Reference Handling
Details for Open Loop and Closed Loop operation.
A block diagram of how the drive produces the Remote Reference is shown below:.
2 Introduction to VLT HVAC Drive VLT
®
HVAC Drive Design Guide
36
MG.11.B9.02 - VLT
®
is a registered Danfoss trademark
2

Table of Contents

Other manuals for Danfoss VLT HVAC

Related product manuals