EasyManua.ls Logo

Datem Neptune 5000 - Page 55

Datem Neptune 5000
118 pages
Print Icon
To Next Page IconTo Next Page
To Next Page IconTo Next Page
To Previous Page IconTo Previous Page
To Previous Page IconTo Previous Page
Loading...
Neptune 5000
© Copyright Datem Limited 2014
55
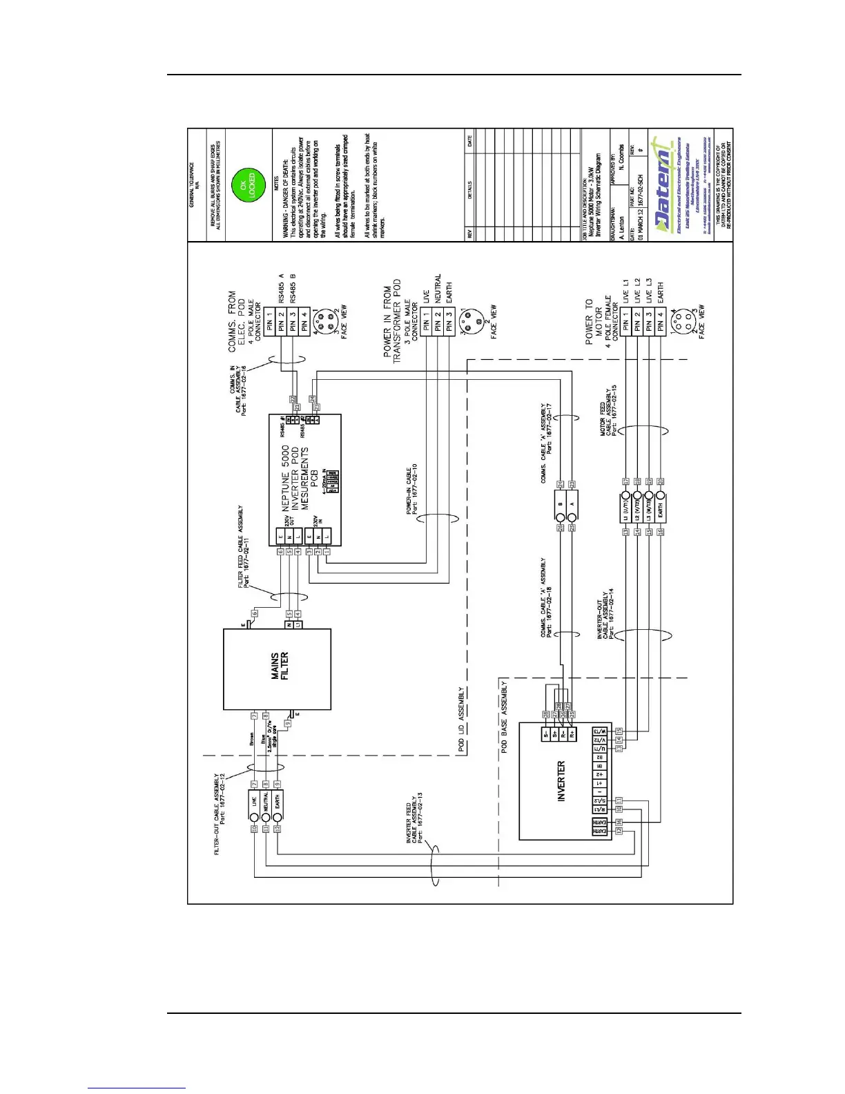
Figure 25: Inverter Pod Wiring Schematic

Table of Contents