EasyManua.ls Logo

Datex-Ohmeda 7900 - System Connection Block Diagram

Datex-Ohmeda 7900
181 pages
Print Icon
To Next Page IconTo Next Page
To Next Page IconTo Next Page
To Previous Page IconTo Previous Page
To Previous Page IconTo Previous Page
Loading...
8 /Schematics
8-2 7900 Ventilator- 1503-0151-000 1-97
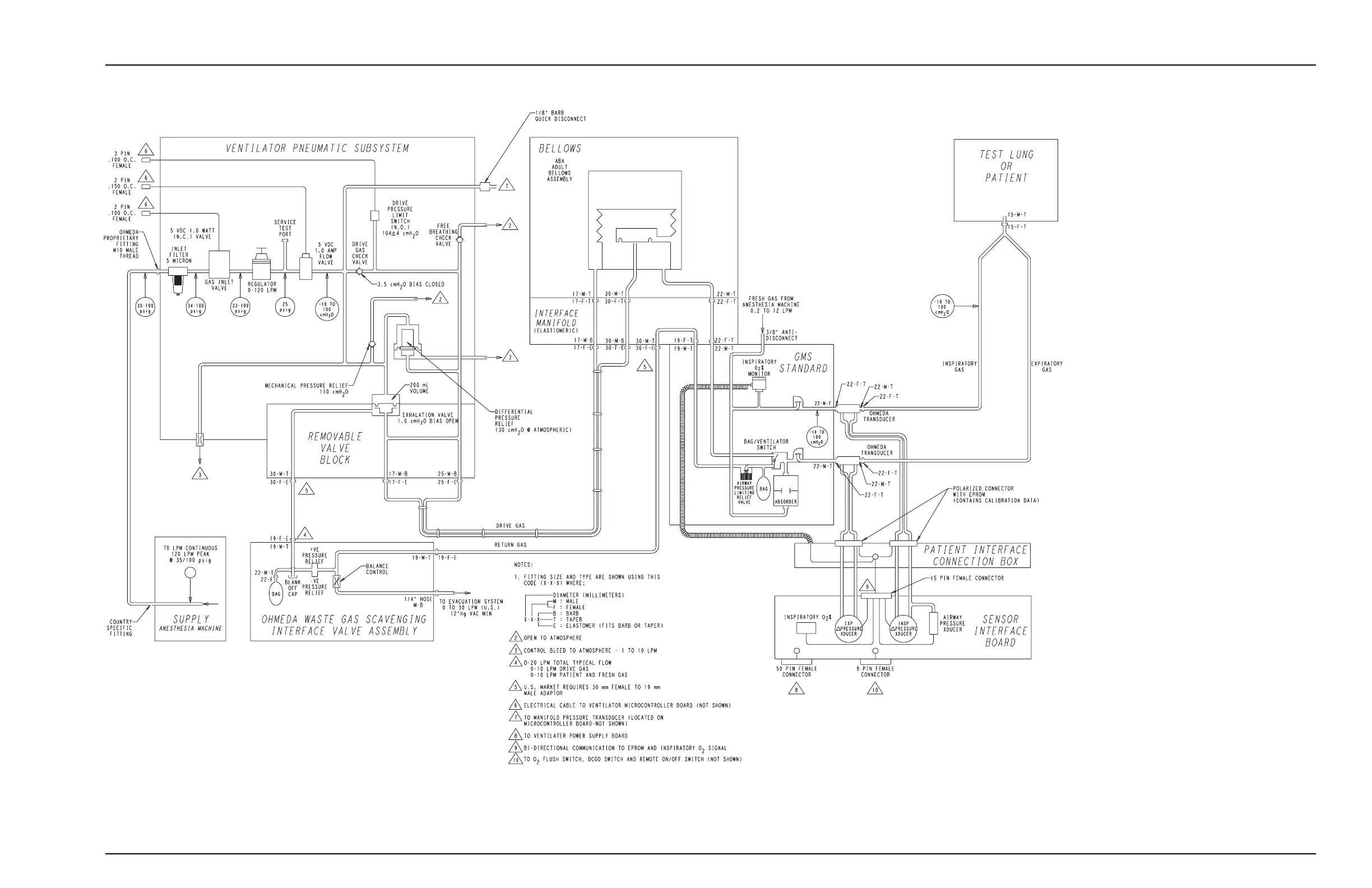
Figure 8-1
System connection block diagram

Table of Contents