EasyManua.ls Logo

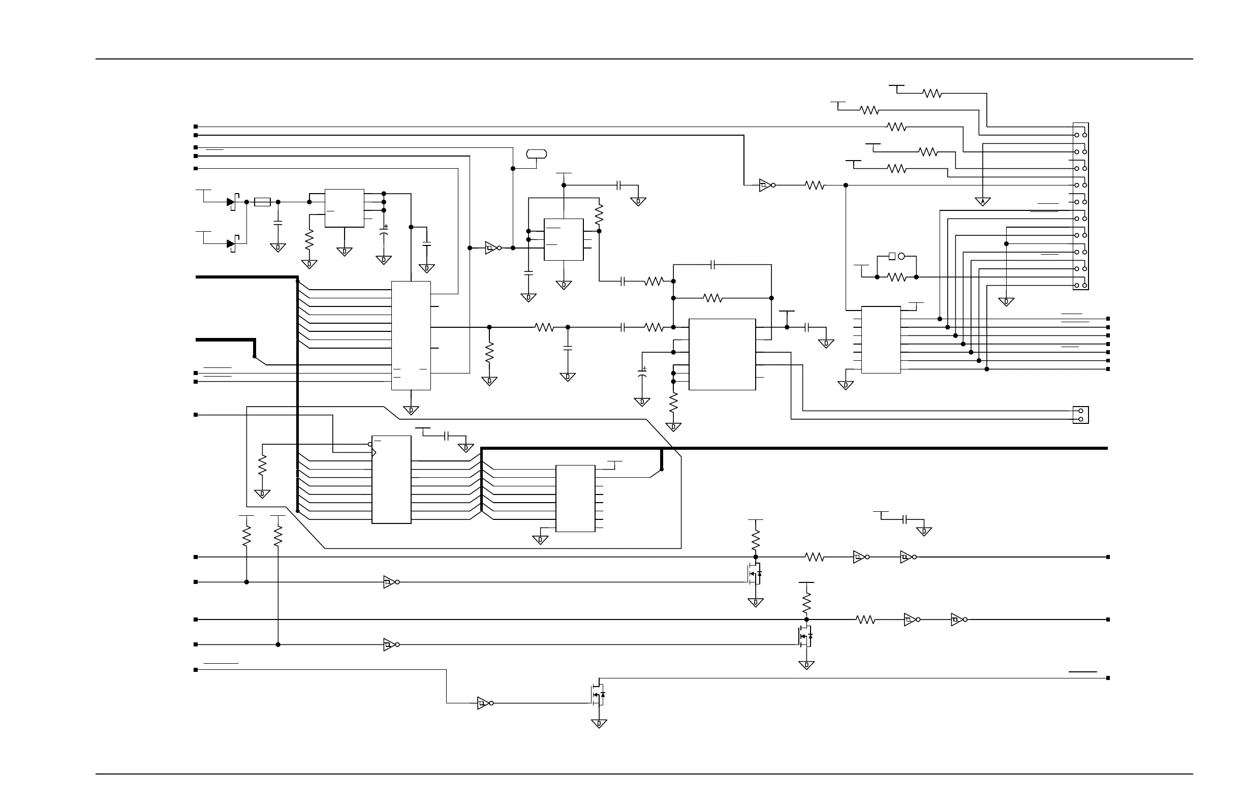
Datex-Ohmeda 7900 - Figure 8-11 Microcontroller Board Schematic Diagram

Datex-Ohmeda 7900
181 pages
Print Icon
To Next Page IconTo Next Page
To Next Page IconTo Next Page
To Previous Page IconTo Previous Page
To Previous Page IconTo Previous Page
Loading...
8 /Schematics
8-12 7900 Ventilator- 1503-0151-000 1-97
Figure 8-11
Microcontroller board schematic diagram, page 5 of 10
E2_POWER
SH4
U32
SP720
U38
74FCT574
0.1UF
C118
50V
10%
1/8W
1%
R151
200
TP17
PWR_ENABLE
SH1
130LT3
CR9
130LT3
CR10
TPS7150QD
VR2
RESET
SH7
BAUD_CLOCK
SH1
RESET
SH1,5
ATOD_CLK_TST
AUDIO_CS
SH2
AUDIO_WE
SH2
A[0:23]
SH1-3
A0
U24
YM2413
50V
0.1UF
10%
C34
C33
10UF
25V
10%
U48
74HC14
C97
10%
0.1UF
50V
50V
0.1UF
10%
C103
J1
U48
74HC14
ATOD_REF_TST
SH8
SH2
ATOD_CLK_TP
J4
SDA2_EXP
SH4
SDA1_INSP
SH4
DSO_BDM
DSO_BDM
SH1
DSI_BDM
DSI_BDM
SH1
RESET
RESET
SH1-5
FREEZE_BDM
FREEZE_BDM
SH1
DSCLK_BDM
DSCLK_BDM
SH1
BERR_BDM
BERR_BDM
SH1
U48
74HC14
10%
50V
0.1UF
C92
1/8W
1%
R198
4.99K
C96
0.1UF
50V
10%
SP720
U63
1/8W
1%
R181
4.99K
1/8W
1%
R129
4.99K
1/8W
10K
1%
R148
R189
1%
10K
1/8W
1/8W
10K
1%
R188
1/8W
10K
1%
R203
R202
1%
10K
1/8W
R149
1%
10K
1/8W
74HC14
U43
74HC14
U43
74HC14
U43
74HC14
U43
74HC14
U43 U43
74HC14
SDA2_IN
SH1
SDA1_IN
SH1
200
R115
1%
1/8W
SDA1_OUT
SH1
R116
4.99K
1/8W
1%
SDA2_OUT
SH1
1/8W
15K
1%
R132
XDOUT[0:7]
SH4
XDOUT5
XDOUT7
XDOUT0
XDOUT1
XDOUT2
XDOUT3
XDOUT4
XDOUT6
XDOUT0
XDOUT1
XDOUT2
XDOUT3
XDOUT4
XDOUT5
XDOUT6
XDOUT7
2N7002
M6
2N7002
M3
2N7002
M5
0.1UF
C120
50V
10%
1/8W
15K
1%
R130
4.99K
R131
1%
1/8W
U21
LM4860M
U22
7555
C98
0.01UF
50V
10%
C95
0.1UF
50V
10%
C83
16V
10%
1UF
DS_BDM
DS_BDM
SH1
R164
1%
200
1/8W
EXT_CS
SH2
D0
D1
D2
D3
D4
D5
D7
D6
D[0:15]
SH1-4,6,7
D0
D1
D2
D3
D4
D5
D6
D7
200
R118
1%
1/8W
3.32K
R125
1/8W
1%
E1
PJ2
7.68K
1/8W
1%
R117
0.22UF
10%
25V
C93
2.26K
1%
1/8W
R113
5.11MEG
1%
1/8W
R112
150PF
10%
50V
C94
499K
R114
1%
1/8W
IN12
IN11
IN10
IN9
IN8
V+
IN14
IN13
V-
IN7
IN6
IN5
IN4
IN3
IN2
IN1
8
16
10
9
7
6
5
4
3
215
14
13
12
11
1
1Q
2Q
3Q
4Q
5Q
6Q
7Q
8Q
OC
CLK
1D
4D
5D
6D
7D
8D
3D
2D
19
18
17
16
15
14
13
12
1
11
2
5
6
7
8
9
4
3
IN2
IN1
EN
OUT1
OUT2
SENSE
PG
GND
3
4
2
5
6
7
8
1
A0
D0
D1
D2
D3
D4
D5
D6
D7
GND
XOUT
CS
ICWE
XIN
RO
VCC
MO
17
18
2
3
4
5
6
7
10
11
12
14
15
8
9
13
16
1
VDD
+5.5V
VDD
65
VDD
2
1
1011
VDD
1
10
11
12
13
15
16
17
18
19
2
20
3
4
5
6
7
8
9
14
89
IN12
IN11
IN10
IN9
IN8
V+
IN14
IN13
V-
IN7
IN6
IN5
IN4
IN3
IN2
IN1
1
11
12
13
14
152
3
4
5
6
7
9
10
16
8
VDDVDD
VDD
+5.5V
VH_EL
-15V
+15V
VDD
VDD
VDD
VDD
VDD
43
89
11 101213
21 56
HP-SENSE
VO2
VO1
GAIN-OUT
VDD
BYPASS
HP-IN1
HP-IN2
IN+
IN-
SHUTDOWN
GND;1,4,8,9,16
15
11
105
14
13
2
6
7
3
12
TR
V+
DCHG
CONTRST
OUTTRIG
GND
6
8
7
54
32
1
1.4KHz
A/D_REF_TST
DGND
DGND
AGND
+15V_TST
-15V_TST
+5.5V_TST
V_EL_TST
VDD_TST
TEST/BDM
NOTE: THIS CIRCUIT IS NOT INSTALLED

Table of Contents

Related product manuals