EasyManua.ls Logo

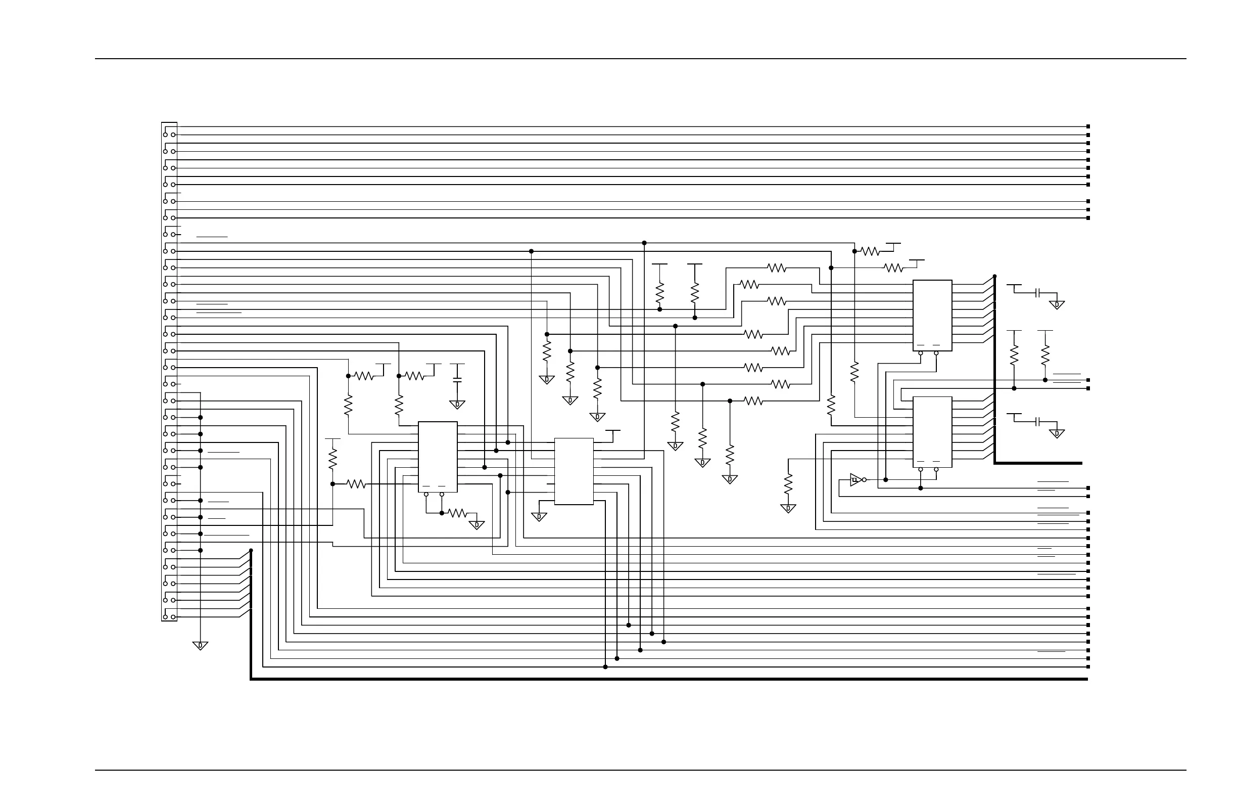
Datex-Ohmeda 7900 - Figure 8-10 Microcontroller Board Schematic Diagram

Datex-Ohmeda 7900
181 pages
Print Icon
To Next Page IconTo Next Page
To Next Page IconTo Next Page
To Previous Page IconTo Previous Page
To Previous Page IconTo Previous Page
Loading...
8 /Schematics
7900 Ventilator- 1503-0151-000 1-97 8-11
Figure 8-10
Microcontroller board schematic diagram, page 4 of 10
XDOUT7
XDOUT6
XDOUT5
XDOUT4
XDOUT3
XDOUT2
XDOUT1
XDOUT0
XDOUT[0:7]
SH5
EXT_SW4
LOW_O2_SW
CHG_DISABLE_340
SH1
AC_LED_A
SH6
TXDB
RXDA
PRES_PAT
SH9
D[0:15]
SH1-3,5,7,8
D0
D1
D2
D3
D4
D5
D6
D12
D14
D15
D13
D11
D10
D9
D8
D7
RD_WR
SH1-3,6
SIB_PWR
SH8
1/8W
1%
R43
10K
R145
10K
1/8W
1%
1%
1/8W
10K
R146
15K
1%
R39
1/8W
15K
1%
R134
1/8W
AC_LED_C
SH6
SP720
U28
XIRQ6
EXT_SW3
4.99K
R37
1%
1/8W
4.99K
R122
1%
1/8W
PWR_IN_EN
SH2
ATOD_BUSY
SH2,8
DAC_RESET
SH1
R135
10K
1/8W
1%
MECH_VENT_EN
SH1,6
74HC14
U48
N15_FAIL
SH10
P15_FAIL
SH10
1/8W
1%
R42
10K
74FCT541
U36
U23
74FCT541
200
R153
1%
1/8W
1%
1/8W
R41
10K
0.1UF
C102
50V
10%
10K
R40
1%
1/8W
RXDB
10%
50V
C107
0.1UF
PAT_RET
SH9
PRES_INSP
SH9
INSP_RET
SH9
PRES_EXP
SH9
EXP_RET
SH9
O2
SH9
O2_RET
SH9
10%
50V
C122
0.1UF
R124
10K
1/8W
1%
1/8W
1%
R33
10K
J2
V_BATT
SH8
I_BATT
SH8
1/8W
15K
1%
R38
R35
1%
15K
1/8W
R36
1%
15K
1/8W
1/8W
15K
1%
R123
1/8W
15K
1%
R30
R34
1%
15K
1/8W
1/8W
15K
1%
R31
1/8W
15K
1%
R110
MAIN_POWER_ON
15K
1%
R143
1/8W
15K
1%
R144
1/8W
10K
R121
1%
1/8W
10K
R111
1%
1/8W
10K
R32
1%
1/8W
DCGO_SW
O2_FLUSH_SW
BAG_VENT_SW
BATT_FULL
CONTROL_IACK6
200
R133
1%
1/8W
R136
1%
15K
1/8W
U29
74FCT541
TXDA
XRESET
EXT_SW2
EXT_SW1
1/8W
1%
R120
10K
CHG_DISABLE
SDA1_INSP
SH5
SCLK_MINUS
SH1
SH1
GIVON_RR
E2_POWER
SH5
SCLK_PLUS
SH1
SDA2_EXP
SH5
RXDA_340
SH1
RXDB_340
SH1
IRQ6
SH1
RESET
SH1,5
TXDB_340
SH1
CNTRL_IACK6
SH1
TXDA_340
SH1
IN12
IN11
IN10
IN9
IN8
V+
IN14
IN13
V-
IN7
IN6
IN5
IN4
IN3
IN2
IN1
1
11
12
13
14
152
3
4
5
6
7
9
10
16
8
VDD
VDD
VDD
43
Y1
Y2
Y3
Y4
Y5
Y6
Y7
Y8
A1
A2
A3
A4
A5
A6
A7
A8
1G 2G
18
17
16
15
14
13
12
11
2
3
4
5
6
7
8
9
119
Y1
Y2
Y3
Y4
Y5
Y6
Y7
Y8
A1
A2
A3
A4
A5
A6
A7
A8
1G 2G
18
17
16
15
14
13
12
11
2
3
4
5
6
7
8
9
119
VDD
VDD
VDD
VDD VDDVDD
VDD
VDD
VDD
49
52
50
48
47
46
45
44
43
42
41
40
9
8
7
6
5
4
39
38
37
36
35
34
33
32
31
30
3
29
28
27
26
25
24
23
22
21
20
2
19
18
17
16
15
14
13
12
11
10
1
51
53
54
55
56
57
58
59
60
VDD
Y1
Y2
Y3
Y4
Y5
Y6
Y7
Y8
A1
A2
A3
A4
A5
A6
A7
A8
1G 2G
18
17
16
15
14
13
12
11
2
3
4
5
6
7
8
9
119
GIVON_RR
SDA1_INSP
SDA2_EXP
DO NOT USE
INTERFACE
EXTERNAL
AC_LED_C
AC_LED_A
SCLK_PLUS
SCLK_MINUS
E2_POWER
DO NOT USE

Table of Contents

Related product manuals