EasyManua.ls Logo

Datex-Ohmeda 7900 - 7900 Ventilator Features

Datex-Ohmeda 7900
181 pages
Print Icon
To Next Page IconTo Next Page
To Next Page IconTo Next Page
To Previous Page IconTo Previous Page
To Previous Page IconTo Previous Page
Loading...
2/Theory of Operation
2-2 1503-0151-000 3/27/97
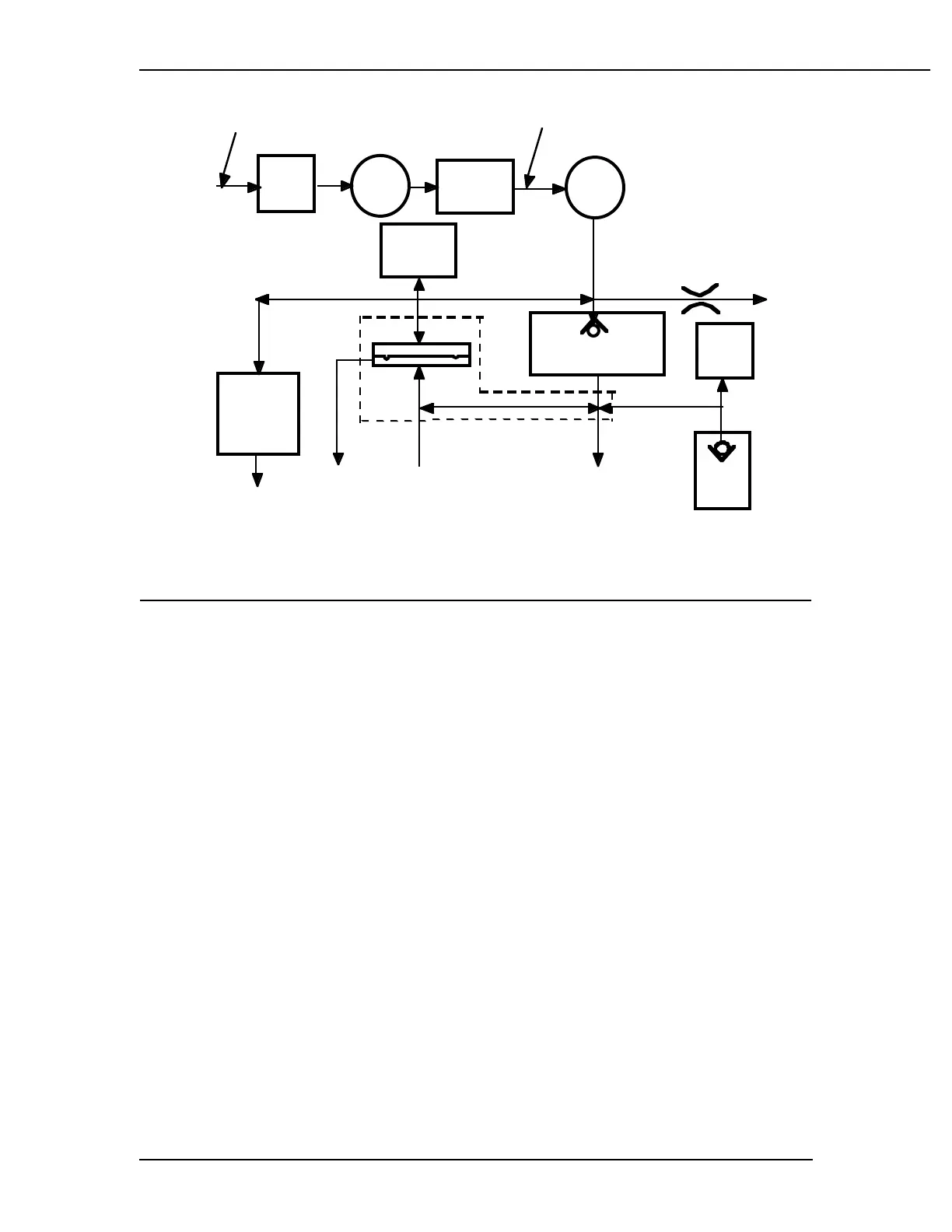
Figure 2-2
7900 Ventilator Operational Block Diagram
Some 7900 Ventilator Features
No secondary regulator or exhalation solenoids
An exhalation valve that modulates flow in the pressure mode rath-
er than being just on and off
Pressure and volume mode selectable by the operator
All pneumatic components are mounted on a single manifold.
Each component is individually accessible from above or below the
manifold
There are no threaded connections to the subassemblies
Drive gas and bellows pressure relief valve gases are combined
and pass through the ventilator exhalation valve.
Exhalation valve block is autoclavable
Scavenging line runs from the ventilator to the Anesthesia Gas
Scavenging Receiver (AGSR) which scavenges both drive gas and
gas released by the bellows pressure relief valve.
Operates in a "Closed-Loop" configuration during both volume and
pressure modes of operation
Easier to service, fewer components and improved performance.
Mechanical
Overpressure
Bleed Off
(MOBO)
Pressure
Switch
Drive Gas Check Valve
(DGCV)
Free
Breathing
Valve
Supply
Gas
Hose
Manifold
Pressure
Transducer
Flow
Valve
Pressure
Regulator
Inlet
Filter
Gas
Inlet
Valve
(GIV)
35 - 100 psi
Supply
25 psi
25 mm port17 mm port
Exhaust
to Scavenging
SystemExhaust to
Ambient
Bleed Exhaust
to Ambient
Exhalation
Manifold

Table of Contents

Related product manuals