EasyManua.ls Logo

Datex-Ohmeda 7900 - Page 25

Datex-Ohmeda 7900
181 pages
Print Icon
To Next Page IconTo Next Page
To Next Page IconTo Next Page
To Previous Page IconTo Previous Page
To Previous Page IconTo Previous Page
Loading...
2/Theory of Operation
1503-0151-000 3/27/97 2-7
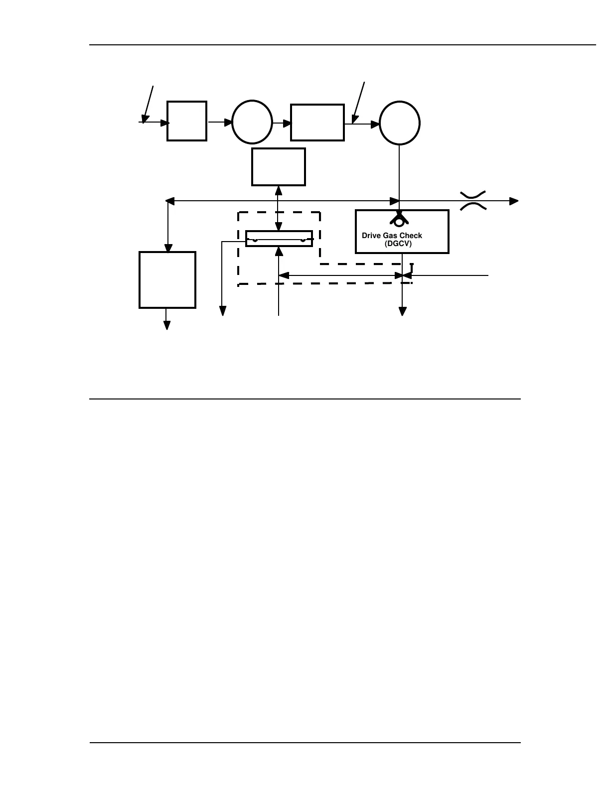
Figure 2-9
MOBO (Mechanical Over pressure Bleed Off)
The Mechanical Over pressure Bleed Off Valve
is a mechanical valve operating
even if there is no electrical power. The MOBO has two functions. First, it serves
as a third level of redundancy to the ventilator's pressure limit control functions,
providing pressure relief at approximately 110 cmH
2
O. Second, the MOBO serves
as a backup in the event of a complete blockage of the exhalation valve system,
relieving circuit pressure at approximately 30 cmH
2
O under such failure conditions.
M
ec
h
an
i
ca
l
Overpressure
Bleed Off
(MOBO)
Drive Gas Check Valve
(DGCV)
S
upply
Gas
Hose
Manifold
Pressure
Transducer
Flow
Valve
P
ressure
R
egulator
Inlet
Filter
Gas
Inlet
Valve
(GIV)
2
5 psi
25 mm por
t
17 mm por
t
Exhaust
to Scavenging
System
Exhaust to
Ambient
E
xhalation Manifold
35 - 100 psi
Supply inlet

Table of Contents

Related product manuals