EasyManua.ls Logo

Delta Tau 24E2A - Acc-24 E2 Limit and Flag Wiring; Connecting Limits;Flags to the Acc-24 E2

Delta Tau 24E2A
63 pages
Print Icon
To Next Page IconTo Next Page
To Next Page IconTo Next Page
To Previous Page IconTo Previous Page
To Previous Page IconTo Previous Page
Loading...
Accessory 24E2A
Acc-24E2 Limit and Flag Wiring
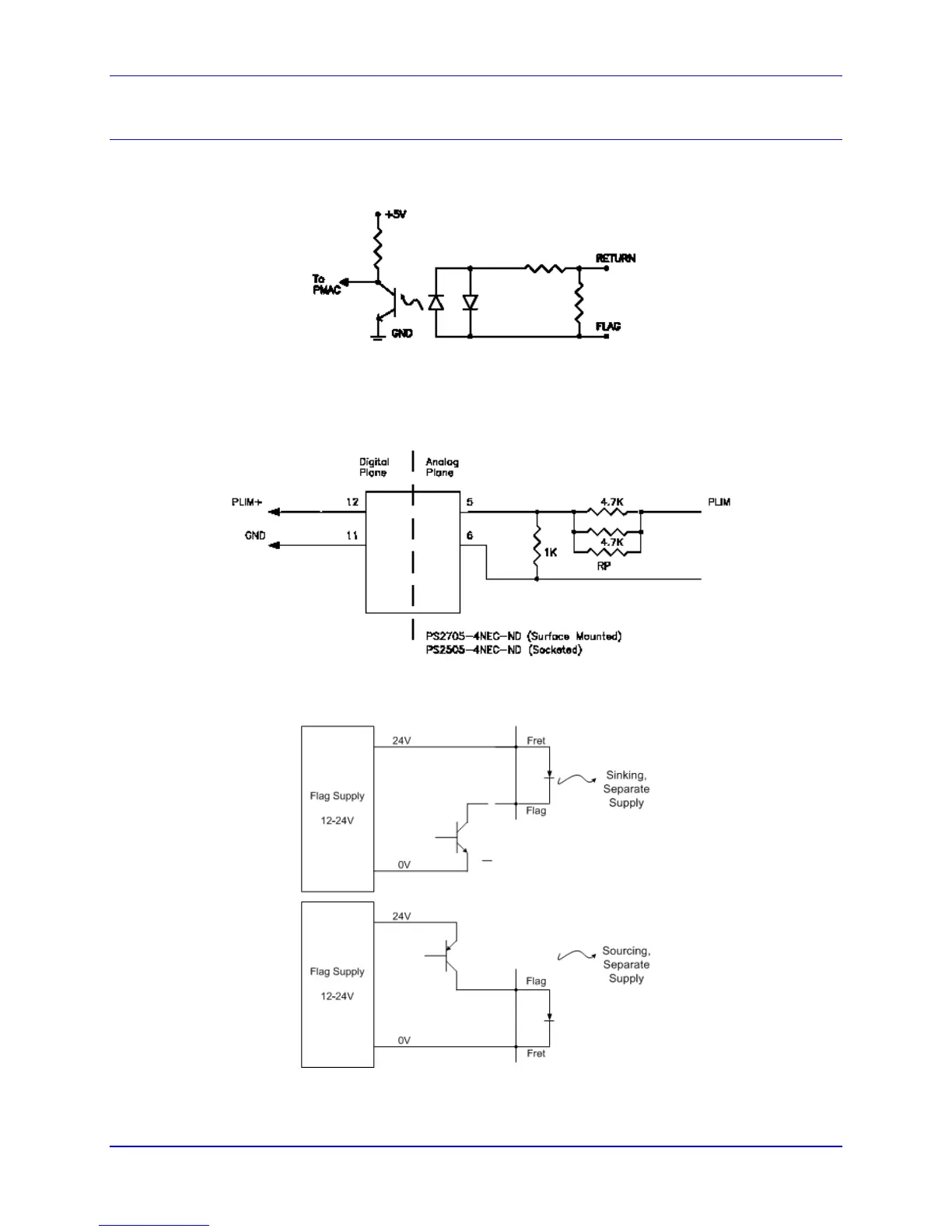
The Acc-24E2 allows the use of sinking or sourcing position limits and flags to the controller. The opto-
isolator IC used is a PS2705-4NEC-ND quad photo-transistor output type. This IC allows the current to
flow from return to flag (sinking) or from flag to return (sourcing).
A sample of the positive limit circuit is shown below. The 4.7K resistor packs used will allow 12-24V
flag inputs. If 0-5V flags are used, then a 1K resistor pack (RP) can be placed in either RP45 or RP46
(refer to the Resistor Pack Configuration section of this manual). If these resistor packs are not added, all
flags (±Limits, Home, User, and amplifier fault) will be referenced from 0-5V.
Connecting Limits/Flags to the Acc-24E2
The following diagram illustrates the sinking and sourcing connections to an Acc-24E2. This example
uses 12-24V flags.
10 Hardware Setup

Table of Contents

Related product manuals