EasyManua.ls Logo

Dräger MP04551 - Prehľad; Príprava; Určené Použitie

Dräger MP04551
Print Icon
To Next Page IconTo Next Page
To Next Page IconTo Next Page
To Previous Page IconTo Previous Page
To Previous Page IconTo Previous Page
Loading...
Návod na použitie Prietokomer 101
Slovensky
Bezpečnost’ pacientov
Dizajn zdravotníckeho zariadenia, sprievodná
dokumentácia a označenie zdravotníckeho
zariadenia sú založené na predpoklade, že kúpu a
používanie zdravotníckeho zariadenia zabezpečujú
osoby oboznámené s najdôležitejšími vlastnost’ami
tohto zdravotníckeho zariadenia.
Pokyny a vyhlásenia s označením VAROVANIE a
UPOZORNENIE sú preto zväčša obmedzené na
špecifiká zdravotníckeho zariadenia Dräger.
Tento návod na použitie neobsahuje informácie o
nasledujúcich skutočnostiach:
Riziká, ktoré sú zrejmé používateľom
Dôsledky zjavne nesprávneho použitia
zdravotníckeho zariadenia
Potenciálne negatívne účinky na pacientov s
rôznymi skrytými poruchami
Zásah do lekárskeho zariadenia ako takého, ako aj
jeho neodborné použitie, sú nebezpečné.
Určené použitie
Prietokomer je určený na riadenie prietoku kyslíka
alebo vzduchu na inhaláciu alebo insufláciu v
spojení s príslušenstvom potrebným na prevádzku.
Len pre použitie pacientmi so spontánnym
dýchaním.
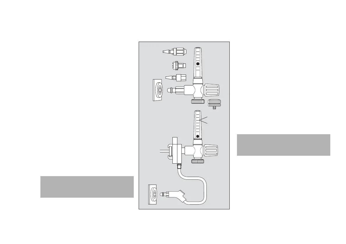
Prehľad
A Sonda prietokomeru (DIN)
B Prietoková trubica so zobrazením prietoku
C Ručné koliesko na nastavenie prietoku
D Prípojka pre zvlhčovač, objímku alebo pripájacie
hadice
E Zásuvka
F Sonda prietokomeru, British Standard (BS)
G Sonda prietokomeru, Norme Française (NF)
H Sonda prietokomeru, Japan Industrial Standard
(JIS)
I Svorka na držiak
J Sonda prívodnej hadice
K Prípojka NIST pre prívodnú hadicu
L Prevádzkový tlak
Príprava
Pripravte príslušenstvo podľa príslušného
návodu na použitie.
1 Priskrutkujte zvlhčovač, rozprašovač alebo
adaptér Dräger k prípojke (D) prietokomera
pomocou spojovacej matice. Alternatívne ho
priskrutkujte na komerčný systém sterilnej vody.
Pripojte zariadenie aplikácie.
2 V prípade potreby pripojte prívodnú hadicu k
prípojke (K) na svorke na držiaku pomocou
prípojky NIST.
VAROVANIE
Nastavte prietok O2 potrebný pre pacienta.
Vyžaduje sa monitorovanie nasýtenia kyslíkom,
najmä pri novorodencoch.
00437050
x bar
H
G
F
E
A
D
C
B
I
J
E
K
L
UPOZORNENIE
Ohrozenie pacienta
Zabezpečte, aby bol pripojený druh plynu vhodný
pre príslušnú aplikáciu.

Table of Contents

Related product manuals