EasyManua.ls Logo

Dräger MP04551 - Přehled; Příprava; Účel Použití

Dräger MP04551
Print Icon
To Next Page IconTo Next Page
To Next Page IconTo Next Page
To Previous Page IconTo Previous Page
To Previous Page IconTo Previous Page
Loading...
Návod k použití Průtokoměr 93
Čeština
Bezpečnost pacientů
Konstrukční provedení zdravotnického prostředku,
štítky na něm a přiložená dokumentace jsou
založeny na předpokladu, že nákup a obsluhu
prostředku budou provádět výhradně osoby
dostatečně obeznámené s jeho nejdůležitějšími
vlastnostmi a parametry.
Pokyny, VAROVÁNÍ a UPOZORNĚNÍ jsou proto
většinou omezeny na specifické vlastnosti
zdravotnického prostředku Dräger.
Návod k použití neobsahuje informace týkající se
těchto oblastí:
nebezpečí každému uživateli zřejmá,
následky jednoznačně nesprávného použití
zdravotnického prostředku,
možné negativní účinky na pacienty s odlišným
základním onemocněním.
Úpravy lékařského přístroje, jeho nesprávné použití,
resp. zneužití mohou být nebezpečné.
Účel použití
Tento průtokoměr je určen k řízení průtoku kyslíku
nebo vzduchu pro inhalaci nebo insuflaci ve spojení
s příslušenstvím, které je potřeba pro jeho provoz.
Určeno pro použití jen u spontánně dýchajících
pacientů.
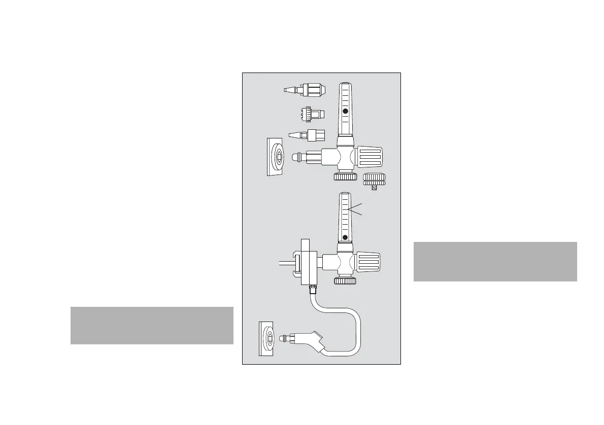
Přehled
A Zástrčka průtokoměru (DIN)
B Průtoková trubice s ukazatelem hodnoty průtoku
C Nastavovací kolečko pro nastavování hodnoty
průtoku
D Přípojka pro zvlhčovač, objímku nebo
připojovací hadice
E Přípojka centrálního rozvodu
F Zástrčka průtokoměru, British Standard (BS)
G Zástrčka průtokoměru, Norme Française (NF)
H Zástrčka průtokoměru, Japan Industrial
Standard (JIS)
I Držák na lištu
J Zástrčka přívodní hadice
K Přípojka NIST pro přívodní hadici
L Provozní tlak
Příprava
Připravte si příslušenství podle příslušného
návodu k použití.
1 Převlečnou maticí přišroubujte k přípojce Dräger
průtokoměru zvlhčovač, nebulizátor nebo
adaptér firmy Dräger. Další možností, kterou
můžete použít, je připojení komerčního sterilního
vodního systému. Připojte aplikační přístroj.
2 V případě nutnosti připojte přívodní hadici
pomocí přípojky NIST ke koncovce (K) na držáku
na lištu.
VAROVÁNÍ
Nastavte průtok O2, který je pro pacienta
nezbytný. Je nutné monitorování saturace
kyslíkem, zejména u novorozenců.
00437050
x bar
H
G
F
E
A
D
C
B
I
J
E
K
L
UPOZORNĚ
Nebezpečí poranění pacienta
Vždy se ujistěte, že podávaný typ plynu je pro
danou aplikaci vhodný.

Table of Contents

Related product manuals