EasyManua.ls Logo

Dräger MP04551 - Подготовка; Преглед; Предназначение

Dräger MP04551
Print Icon
To Next Page IconTo Next Page
To Next Page IconTo Next Page
To Previous Page IconTo Previous Page
To Previous Page IconTo Previous Page
Loading...
Ръководство за работа Ротаметър 149
Бъларски
Безопасност на пациента
Конструкцията на медицинския уред,
придружаващите го документи и надписите върху
него са базирани на презумпцията, че
закупуването и използването му се извършва от
лица, които са запознати с най-важните присъщи
характеристики на медицинския уред.
Затова ръководството за работа и съобщенията
за ПРЕДУПРЕЖДЕНИЕ
и ВНИМАНИЕ до голяма
степен са ограничени само до особеностите на
медицинския уред Dräger.
Това ръководство за работа не съдържа
информация по следните въпроси:
опасности, които са очевидни за
ползвателите,
последици от очевидно неправилна употреба
на медицинския уред,
потенциални негативни ефекти върху
пациенти с различни основни заболявания
Модификацията или неправилната употреба
на
медицинския уред крият опасности.
Предназначение
Ротаметърът е предназначен за контрол на
покока от кислород или от Air (медицински
въздух) за инхалация или инсуфлация във връзка
с необходимите за работа принадлежности.
Да се ползва само при пациенти със спонтанно
дишане.
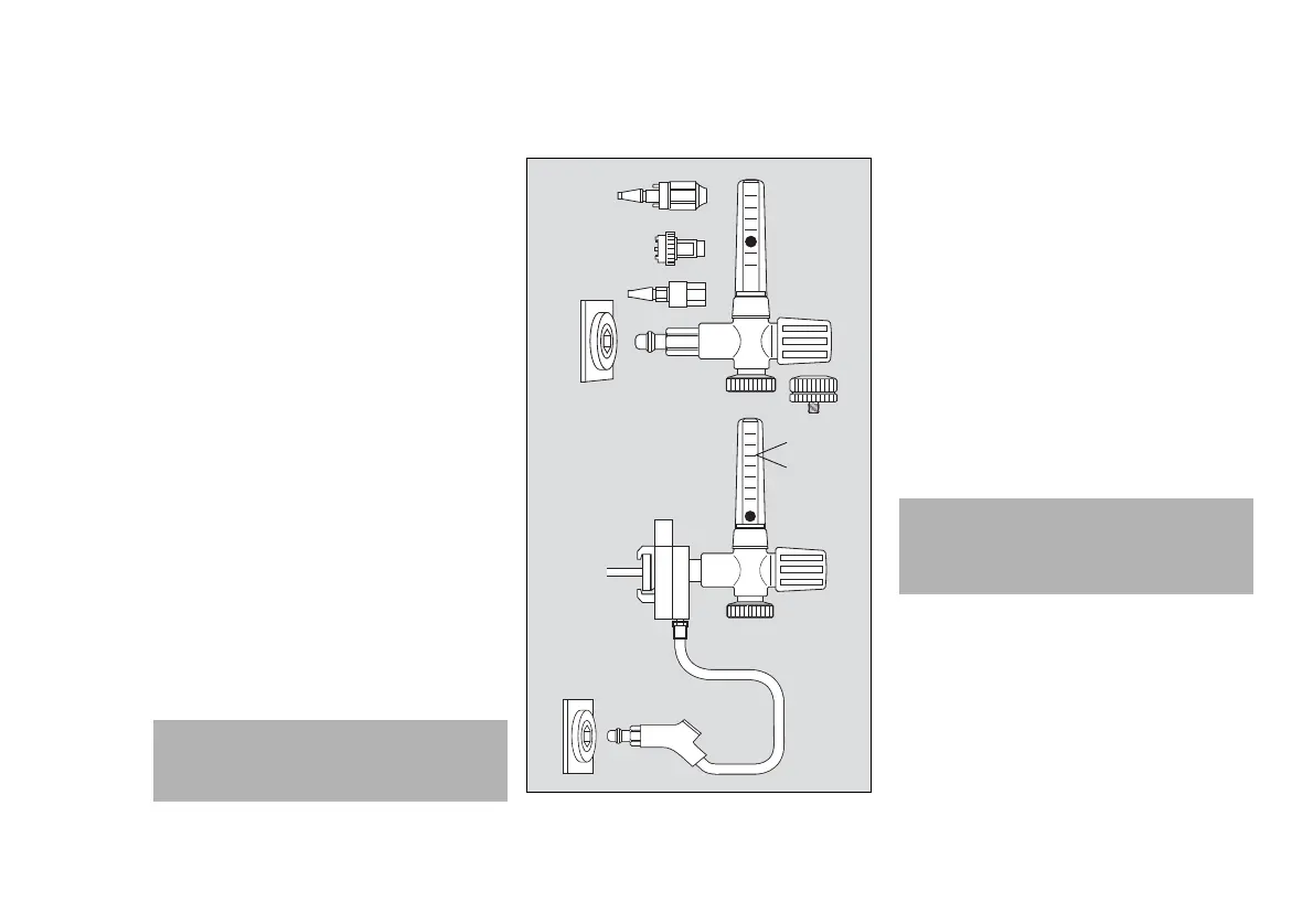
Преглед
A Щекер на ротаметъра (DIN)
B Тръба на ротаметъра с индикатор на потока
C Ръчно колело за настройка на потока
D Връзка за овлажнителя, муфата или
свързващите шлаухи
E Контакт
F Щекер на ротаметъра, британски стандарт
(БС)
G Щекер на ротаметъра, френски стандарт (ФС)
H Щекер на ротаметъра, японски индустриален
стандарт (ЯИС)
I Скоба за шина
J Щекер на
захранващия шлаух
K Връзка NIST за захранващия шлаух
L Работно налягане
Подготовка
Подгответе принадлежностите според
съответното ръководство за работа.
1 С помощта на холендеровата гайка завинтете
овлажнителя Dräger, пулверизатора или
адаптера към връзката (D) на ротаметъра.
Като алтернатива завинтете обикновена
система за стерилна вода. Свържете уреда,
който ще се използва.
2 Ако е необходимо, свържете
с NIST-свързване захранващия шлаух към
връзката (K) върху скобата за шина.
ПРЕДУПРЕЖДЕНИЕ
Настройте необходимия за пациента поток
на O
2. Необходим е контрол на насищането с
кислород, особено при новородени.
00437050
x bar
H
G
F
E
A
D
C
B
I
J
E
K
L
ВНИМАНИЕ
Опасност от увреждане на пациента
Винаги проверявайте дали видът на подавания
вид газ е подходящ за предвиденото приложе-
ние.

Table of Contents

Related product manuals