EasyManua.ls Logo

Dräger MP04551 - Pregătire; Prezentare Generală; Utilizare Prevăzută

Dräger MP04551
Print Icon
To Next Page IconTo Next Page
To Next Page IconTo Next Page
To Previous Page IconTo Previous Page
To Previous Page IconTo Previous Page
Loading...
Instrucţiuni de utilizare Debitmetru 133
Română
Siguranţa pacientului
Concepţia dispozitivului medical, documentaţia
însoţitoare precum şi etichetele de pe dispozitivul
medical presupun achiziţionarea şi utilizarea numai
de către persoane familiarizate cu caracteristicile
inerente ale dispozitivului medical respectiv.
În consecinţă instrucţiunile, AVERTIZĂRILE şi
ATENŢIONĂRILE sunt limitate în mare parte la
caracteristicile specifice ale dispozitivului medical
Dräger.
Instrucţiunile de utilizare nu conţin informaţii
referitoare la următoarele puncte:
Riscurile evidente ale utilizatorilor
Consecinţele unei utilizări evident neadecvate a
dispozitivului medical
Efecte potenţial negative asupra pacienţilor cu
diferite boli de bază
Modificarea sau utilizarea necorespunzătoare a
dispozitivului medical poate fi periculoasă.
Utilizare prevăzută
Debitmetrul este menit să controleze fluxul de oxigen
sau de aer (AIR) pentru inhalare sau insuflare în
combinaţie cu accesoriile necesare pentru operare.
A se folosi numai pentru pacienţi cu respiraţie
spontană.
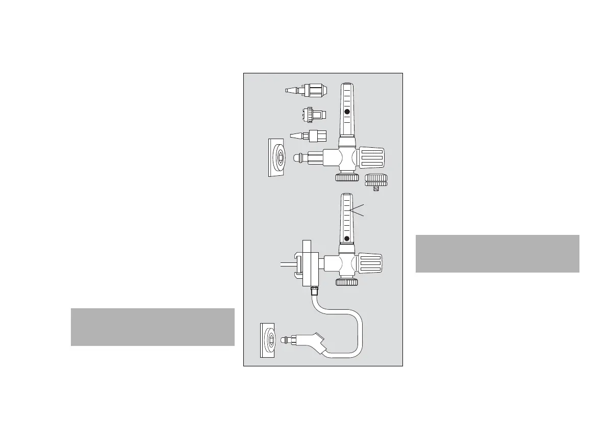
Prezentare generală
A Sondă debitmetru (DIN)
B Tub debit cu afişaj al fluxului
C Roată manuală pentru reglarea debitului
D Conector pentru umidificator, soclu sau furtunuri
de racord
E Unitate terminală
F Sondă debitmetru, British Standard (BS)
G Sondă debitmetru, Norme Française (NF)
H Sondă debitmetru, Japan Industrial Standard
(JIS)
I Clema şinei
J Sondă furtun de alimentare
K Conector NIST pentru furtunul de alimentare
L Presiunea de exploatare
Pregătire
Pregătiţi accesoriile respectând instrucţiunile
respective de utilizare.
1 Înşurubaţi umidificatorul Dräger, nebulizatorul
sau adaptorul pe conectorul (D) al debitmetrului
utilizând piuliţa olandeză. Alternativ, înşurubaţi
un sistem uzual de apă sterilă. Conectaţi
dipozitivul de aplicaţie.
2 Dacă este necesar, conectaţi furtunul de
alimentare la conectorul (K) pe clema şinei
utilizând dispozitivul de conectare NIST.
AVERTIZARE
Setaţi debitul O2 necesar pentru pacient. Este
necesară monitorizarea saturaţiei de oxigen, în
special pentru nou născuţi.
00437050
x bar
H
G
F
E
A
D
C
B
I
J
E
K
L
ATENŢIE
Risc de rănire a pacientului
Verificaţi întotdeauna ca tipul de gaz conectat să fie
adecvat pentru aplicaţia respectivă.

Table of Contents

Related product manuals