EasyManua.ls Logo

Dräger MP04551 - Namen Uporabe; Predstavitev; Priprava

Dräger MP04551
Print Icon
To Next Page IconTo Next Page
To Next Page IconTo Next Page
To Previous Page IconTo Previous Page
To Previous Page IconTo Previous Page
Loading...
Navodilo za uporabo Merilnik pretoka 109
Slovenščina
Varnost pacienta
Zasnova medicinskega pripomočka, spremna
dokumentacija in nalepke na medicinskem
pripomočku temeljijo na predpostavki, da sta nabava
in uporaba medicinskega pripomočka omejeni na
osebe, ki so dobro seznanjene z najpomembnejšimi
lastnostmi medicinskega pripomočka.
Navodila in izjave OPOZORILO in PREVIDNOST so
zato v veliki meri omejene na posebnosti
Drägerjevega medicinskega pripomočka.
V navodilu za uporabo niso vsebovani naslednji
podatki:
Nevarnosti, ki so za uporabnike samoumevne
Posledice očitno nepravilne uporabe
medicinskega pripomočka
Možni negativni učinki na paciente z različnimi
prikritimi obolenji
Spreminjanje ali nepravilna uporaba medicinskega
pripomočka je lahko nevarna.
Namen uporabe
Merilnik pretoka je namenjen kontroli pretoka kisika
ali zraka (Air) za inhalacijo ali insuflacijo v povezavi
z dodatno opremo, potrebno za delovanje.
Uporabljajte ga le pri pacientih s spontanim
dihanjem.
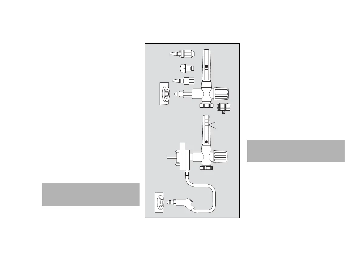
Predstavitev
A Vtič merilnika pretoka (DIN)
B Pretočna cev s prikazom pretoka
C Ročno kolesce za nastavitev pretoka
D Priključek za vlažilnik, cevni nastavek ali
povezovalne cevi
E Napajalni priključek
F Vtič merilnika pretoka, britanski standard (BS)
G Vtič merilnika pretoka, francoski standard (NF)
H Vtič merilnika pretoka, japonski industrijski
standard (JIS)
I Letvena objemka
J Vtič napajalne cevi
K Priključek NIST za napajalno cev
L Delovni tlak
Priprava
Pripravite dodatno opremo v skladu z ustreznimi
navodili za uporabo.
1 Pritrdite Drägerjev vlažilnik, razpršilnik ali
adapter na priključek (D) merilnika pretoka s
pomočjo objemne matice. Možna je pritrditev
tržno dostopnega sistema za sterilno vodo.
Priključite napravo, ki se bo uporabljala.
2 Po potrebi priključite napajalno cev na priključek
(K) na letveni objemki s pomočjo priključka NIST.
OPOZORILO
Nastavite za pacienta potreben pretok O2.
Potreben je monitoring nasičenja s kisikom, še
posebej pri novorojenčkih.
00437050
x bar
H
G
F
E
A
D
C
B
I
J
E
K
L
PREVIDNOST
Nevarnost za poškodbe pacienta
Vedno preverite, ali je priključena vrsta plina pri-
merna za predvideno vrsto uporabe.

Table of Contents

Related product manuals