EasyManua.ls Logo

Dräger MP04551 - Intended Use; Overview; Preparation

Dräger MP04551
Print Icon
To Next Page IconTo Next Page
To Next Page IconTo Next Page
To Previous Page IconTo Previous Page
To Previous Page IconTo Previous Page
Loading...
12 Instructions for use Flowmeter
English / English USEnglish / English US
Patient safety
The design of the medical device, the accompanying
documentation, and the labeling on the medical de-
vice are based on the assumption that the purchase
and the use of the medical device are restricted to
persons familiar with the most important inherent
characteristics of the medical device.
Instructions and WARNING and CAUTION state-
ments are therefore largely limited to the specifics of
the Dräger medical device.
The instructions for use do not contain any informa-
tion on the following points:
Risks that are obvious to users
Consequences of obvious improper use of the
medical device
Potentially negative effects on patients with dif-
ferent underlying diseases
Medical device modification or misuse can be dan-
gerous.
Intended use
The flowmeter is intended to control the flow of oxy-
gen or Air for inhalation or insufflation in conjunction
with the accessories needed for operation.
Only for use on patients with spontaneous breathing.
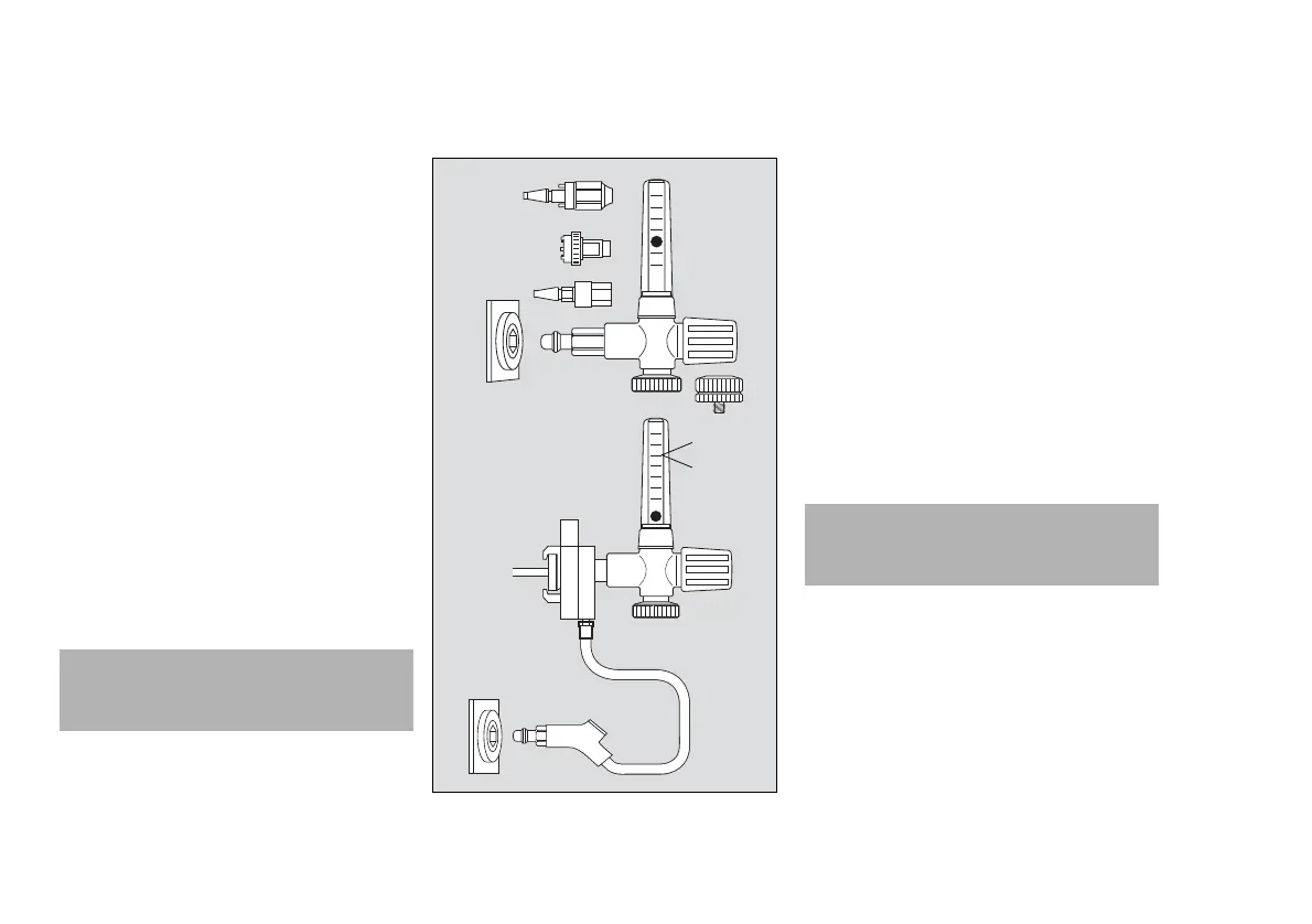
Overview
A Probe of flowmeter (DIN)
B Flow tube with flow display
C Hand wheel for flow adjustment
D Connector for humidifier, socket or connection
hoses
E Terminal unit
F Probe of flowmeter, British Standard (BS)
G Probe of flowmeter, Norme Française (NF)
H Probe of flowmeter, Japan Industrial Standard
(JIS)
I Rail clamp
J Probe of supply hose
K NIST connector for supply hose
L Operating pressure
Preparation
Prepare accessories in accordance with the re-
spective instructions for use.
1 Screw Dräger humidifier, nebulizer, or adapter to
the connector (D) of the flowmeter using the
union nut. Alternatively, screw on commercial
sterile water system. Connect application device.
2 If necessary, connect the supply hose to the con-
nector (K) on the rail clamp using the NIST con-
nection.
3 Place rail clamp (I) on rail and fix in position by
pressing it down.
WARNING
Set the O2 flow necessary for the patient. Moni-
toring of oxygen saturation is required, espe-
cially for neonates.
00437050
x bar
H
G
F
E
A
D
C
B
I
J
E
K
L
CAUTION
Risk of patient injury
Always check that the delivered gas type is appro-
priate for the application.

Table of Contents

Related product manuals