EasyManua.ls Logo

Dräger MP04551 - Pregledni Prikaz; Priprema; Svrha Upotrebe

Dräger MP04551
Print Icon
To Next Page IconTo Next Page
To Next Page IconTo Next Page
To Previous Page IconTo Previous Page
To Previous Page IconTo Previous Page
Loading...
Upute za rad Mjerač protoka 125
Hrvatski
Sigurnost pacijenta
Dizajn ovog medicinskog uređaja, prateća
dokumentacija i oznake na medicinskom uređaju
uzimaju u obzir da je nabava i upotreba ovog
medicinskog uređaja ograničena na osobe upoznate
s najvažnijim karakteristikama svojstvenim ovom
medicinskom uređaju.
Upute i izjave UPOZORENJA i PAŽNJE su prema
tome ograničene u najvećoj mjeri na pojedinosti
ovog Drägerovog medicinskog uređaja.
Ove upute za rad ne sadržavaju informacije o
sljedećim stavkama:
Opasnostima koje su očite korisnicima
Posljedicama očigledno neispravne upotrebe
medicinskog uređaja
Potencijalno negativnim učincima po pacijente s
raznim postojećim bolestima
Modifikacija ili kriva upotreba medicinskog uređaja
može biti opasna.
Svrha upotrebe
Mjerač protoka je namijenjen kontroli protoka kisika
ili zraka (Air) za inhalaciju ili insuflaciju u zajednici s
priborom potrebnim za rad.
Koristite samo kod pacijenata sa spontanim
disanjem.
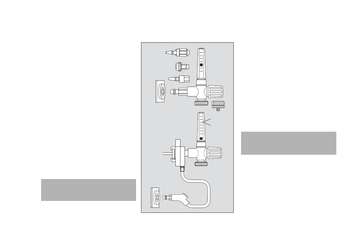
Pregledni prikaz
A Utikač mjerača protoka (DIN)
B Cijev za mjerenje protoka s prikazom protoka
C Regulacijski kotačić za podešavanje protoka
D Priključak za ovlaživač, sapnicu ili priključnu cijev
E Zidna utičnica
F Utikač mjerača protoka, British Standard (BS)
G Utikač mjerača protoka, Norme Française (NF)
H Utikač mjerača protoka, Japan Industrial
Standard (JIS)
I Stezaljka za tračnicu
J Utikač cijevi za opskrbu
K NIST priključak cijevi za opskrbu
L Radni tlak
Priprema
Pripremite pribor sukladno odgovarajućim
uputama za rad.
1 Uvijte Drägerov ovlaživač, nebulizator ili adapter
na priključak (D) mjerača protoka upotrebom
preturne matice. Alternativno, uvijte komercijalni
sustav sterilne vode. Spojite uređaj za primjenu.
2 Ako je potrebno, spojite cijev za opskrbu na
priključak (K) stezaljke za tračnicu pomoću NIST
priključka.
UPOZORENJE
Postavite protok O2 koji je potreban za
pacijenta. Potrebno je nadziranje zasićenosti
kisika naročito kod novorođenčadi.
00437050
x bar
H
G
F
E
A
D
C
B
I
J
E
K
L
PAŽNJA
Opasnost od ozljede pacijenta
Uvijek provjerite da je vrsta dostavljenog plina
odgovarajuća za tu primjenu.

Table of Contents

Related product manuals