EasyManua.ls Logo

Dräger MP04551 - PrzegląD; Przeznaczenie; Przygotowanie

Dräger MP04551
Print Icon
To Next Page IconTo Next Page
To Next Page IconTo Next Page
To Previous Page IconTo Previous Page
To Previous Page IconTo Previous Page
Loading...
Instrukcja obsługi Przepływomierz 85
Polski
Bezpieczeństwo pacjenta
Konstrukcja urządzenia medycznego, dołączona
dokumentacja oraz oznakowanie urządzenia
zakładają, że urządzenie medyczne zostanie
zakupione i będzie obsługiwane przez
wykwalifikowany personel, któremu znane są pewne
ogólne cechy charakterystyczne urządzeń
medycznych tego typu.
Instrukcje, OSTRZEŻENIA i UWAGI odnoszą się
głównie do swoistych cech urządzenia medycznego
firmy Dräger.
Instrukcja obsługi nie zawiera żadnych informacji
dotyczących poniższych punktów:
- Niebezpieczeństw, które są oczywiste dla
użytkowników
- Konsekwencji oczywistej nieprawidłowej obsługi
urządzenia medycznego
- Potencjalnych negatywnych skutków u
pacjentów cierpiących na różne choroby
podstawowe
Wszelkie modyfikacje urządzenia medycznego oraz
jego użycie niezgodnie z przeznaczeniem mogą być
niebezpieczne.
Przeznaczenie
Przepływomierz jest przeznaczony do dozowania
przepływu tlenu lub powietrza w celu inhalacji lub
insuflacji w połączeniu z wymaganymi akcesoriami.
Wyłącznie do stosowania u pacjentów z
oddychaniem spontanicznym.
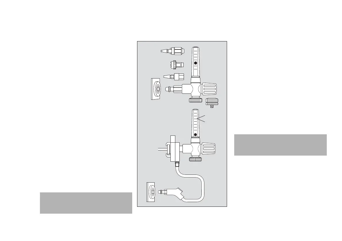
Przegląd
A Złącze wtykowe przepływomierza (DIN)
B Rurka przepływomierza ze wskaźnikiem
przepływu
C Pokrętło do regulacji przepływu
D Złącze do nawilżacza, tulejki lub węży łączących
E Gniazdo poboru gazu
F Złącze wtykowe przepływomierza, British
Standard (BS, norma brytyjska)
G Złącze wtykowe przepływomierza, Norme
Française (NF, norma francuska)
H Złącze wtykowe przepływomierza, Japan
Industrial Standard (JIS, japońska norma
przemysłowa)
I Obejma szyny
J Złącze wtykowe węża zasilającego
K Złącze NIST dla węża zasilającego
L Ciśnienie robocze
Przygotowanie
Przygotować akcesoria zgodnie z odpowiednimi
instrukcjami obsługi.
1 Przykręcić nawilżacz, nebulizator lub adapter
Dräger do złącza (D) przepływomierza za
pomocą nakrętki złączkowej. Opcjonalnie,
przykręcić system sterylnej wody dostępny na
rynku. Podłączyć urządzenie aplikujące.
2 W razie konieczności podłączyć dren zasilający
do złącza (K) na zacisku szynowym za pomocą
złącza NIST.
3 Założyć obejmę szyny (I) na szynie i ustawić w
odpowiedniej pozycji, naciskając.
OSTRZEŻENIE
Ustawić przepływ O2 odpowiedni dla pacjenta.
Wymagane jest monitorowanie saturacji
tlenem, szczególnie w przypadku noworodków.
00437050
x bar
H
G
F
E
A
D
C
B
I
J
E
K
L
UWAGA
Ryzyko urazu pacjenta
Należy zawsze sprawdzić, czy dostarczana ilość
gazu jest odpowiednia dla danego zastosowania.

Table of Contents

Related product manuals