EasyManua.ls Logo

Dräger MP04551 - Klargjøring; Oversikt; Tiltenkt Bruk

Dräger MP04551
Print Icon
To Next Page IconTo Next Page
To Next Page IconTo Next Page
To Previous Page IconTo Previous Page
To Previous Page IconTo Previous Page
Loading...
60 Bruksanvisning Flowmåler
NorskNorsk
Pasientsikkerhet
Konstruksjonen av det medisinske utstyret,
medfølgende dokumentasjon og merkingen på
utstyret er basert på antakelsen om at innkjøp og
bruk av det medisinske utstyret er begrenset til
personer som er kjent med de viktigste iboende
egenskapene ved det medisinske utstyret.
Bruksanvisningen og ADVARSEL- og FORSIKTIG-
meldingene begrenser seg derfor hovedsakelig til
spesifikke egenskaper ved det medisinske Dräger-
utstyret.
Bruksanvisningen inneholder ingen informasjon om
følgende punkter:
Farer som er selvsagte for brukerne
Konsekvenser ved opplagt feil bruk av det
medisinske utstyret
Potensielt negative virkninger på pasienter med
ulike underliggende sykdommer
Produktmodifisering eller feilbruk kan være farlig.
Tiltenkt bruk
Flowmåleren er tiltenkt for å styre flow av oksygen
eller luft for inhalasjon eller insufflasjon sammen
med tilbehøret som kreves for operasjon.
Kun for bruk på pasienter med spontan respirasjon.
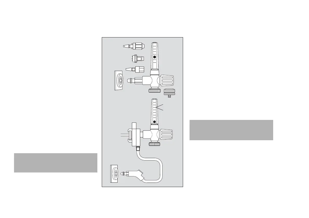
Oversikt
A Kobling på flowmåler (DIN)
B Flowrør med flowvisning
C Hjul for justering av flow
D Kobling for luftfukter, sokkel eller
tilkoblingsslanger
E Terminalenhet
F Kobling på flowmåler, British Standard (BS)
G Kobling på flowmåler, Norme Française (NF)
H Kobling på flowmåler, Japan Industrial Standard
(JIS)
I Skinneklemme
J Kobling på tilførselsslange
K NIST-kobling for tilførselsslange
L Driftstrykk
Klargjøring
Klargjør tilbehør i henhold til respekterende
bruksanvisning.
1 Skru Dräger luftfukter, forstøver eller adapter til
kontakten (D) på flowmåleren ved hjelp av
koblingsmutteren. Skru alternativt på
kommersielt tilgjengelig system for sterilt vann.
Koblet til applikasjonsenhet.
2 Hvis nødvendig, koble tilførselsslangen til
kontakten (K) på skinneklemmen ved bruk av
NIST-koblingen.
ADVARSEL
Still inn O2-flowen som kreves for pasienten.
Det er nødvendig å overvåke
oksygenmetningen, spesielt for nyfødte.
00437050
x bar
H
G
F
E
A
D
C
B
I
J
E
K
L
FORSIKTIG
Fare for skade på pasienten
Sjekk alltid at den leverte gasstypen er adekvat til
bruksområdet.

Table of Contents

Related product manuals