EasyManua.ls Logo

Dräger MP04551 - Επισκόπηση; Προβλεπόμενη Χρήση; Προετοιμασία

Dräger MP04551
Print Icon
To Next Page IconTo Next Page
To Next Page IconTo Next Page
To Previous Page IconTo Previous Page
To Previous Page IconTo Previous Page
Loading...
Οδηγίες χρήσης Ροόμετρο 157
Ελληνικά
Ασφάλεια ασθενούς
Ο σχεδιασμός της ιατρικής συσκευής, η συνοδευτική
τεκμηρίωση και η σήμανση στην ιατρική συσκευή
βασίζονται στο σκεπτικό ότι η αγορά και η χρήση της
ιατρικής συσκευής θα περιορίζονται σε άτομα
εξοικειωμένα με τα πιο σημαντικά βασικά
χαρακτηριστικά της ιατρικής συσκευής.
Συνεπώς, οι οδηγίες χρήσης και
οι δηλώσεις
ΠΡΟΕΙ∆ΟΠΟΙΗΣΗΣ και ΠΡΟΣΟΧΗΣ περιορίζονται
σε μεγάλο βαθμό στα ειδικά τεχνικά χαρακτηριστικά
της ιατρικής συσκευής Dräger.
Οι οδηγίες χρήσης δεν περιλαμβάνουν καμία
πληροφορία για τα ακόλουθα σημεία:
Κίνδυνοι που είναι προφανείς στους χρήστες
Συνέπειες προφανούς ανάρμοστης χρήσης της
ιατρικής συσκευής
Πιθανώς αρνητικές επιπτώσεις σε ασθενείς με
διαφορετικές υποκείμενες νόσους
Η τροποποίηση
ή η εσφαλμένη χρήση της συσκευής
μπορεί να είναι επικίνδυνη.
Προβλεπόμενη χρήση
Το ροόμετρο προορίζεται για έλεγχο της ροής
οξυγόνου ή του Αέρα εισπνοής ή εμφύσησης σε
συνδυασμό με τα εξαρτήματα που απαιτούνται για τη
λειτουργία.
Να χρησιμοποιείται μόνο σε ασθενείς με αυθόρμητη
αναπνοή.
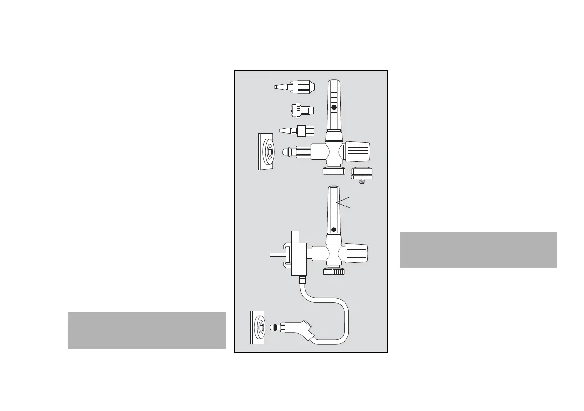
Επισκόπηση
A Αισθητήρας ροόμετρου (DIN)
B Σωλήνας ροής με ένδειξη ροής
C Περιστροφικό χειριστήριο για ρύθμιση της ροής
D Σύνδεσμος για υγραντήρα, υποδοχή ή
εύκαμπτους σωλήνας σύνδεσης
E Τερματική μονάδα
F Αισθητήρας για ροόμετρο, British Standard (BS)
G
Αισθητήρας για ροόμετρο, Norme Française (NF)
H Αισθητήρας για ροόμετρο, Japan Industrial
Standard (JIS)
I Αρπάγη ράγας
J Αισθητήρας εύκαμπτου σωλήνα τροφοδοσίας
K Σύνδεσμος NIST για εύκαμπτο σωλήνα
τροφοδοσίας
L Πίεση λειτουργίας
Προετοιμασία
Προετοιμάστε τα εξαρτήματα σύμφωνα με τις
αντίστοιχες οδηγίες χρήσης.
1 Βιδώστε τον υγραντήρα, τον νεφελοποιητή ή τον
προσαρμογέα Dräger στο σύνδεσμο (D) του
ροόμετρου χρησιμοποιώντας το παξιμάδι
συγκράτησης. Εναλλακτικά, βιδώστε σε ένα
εμπορικό σύστημα αποστειρωμένου νερού.
Συνδέστε τη συσκευή εφαρμογής.
2
Εάν κρίνεται απαραίτητο, συνδέστε τον εύκαμπτο
σωλήνα τροφοδοσίας στο σύνδεσμο (K) στην αρ-
πάγη ράγας χρησιμοποιώντας τη σύνδεση NIST.
ΠΡΟΕΙ∆ΟΠΟΙΗΣΗ
Ρυθμίστε τη ροή O2 που απαιτείται για τον
ασθενή. Απαιτείται παρακολούθηση του
κορεσμού οξυγόνου, ειδικά για νεογνά.
00437050
x bar
H
G
F
E
Α
D
C
Β
Ι
J
E
K
L
ΠΡΟΣΟΧΗ
Κίνδυνος τραυματισμού του ασθενή
Ελέγχετε πάντα ότι ο τύπος παρεχόμενου αερίου
είναι κατάλληλος για την εφαρμογή.

Table of Contents

Related product manuals