EasyManua.ls Logo

Dräger MP04551 - Predviđena Upotreba; Pregled; Priprema

Dräger MP04551
Print Icon
To Next Page IconTo Next Page
To Next Page IconTo Next Page
To Previous Page IconTo Previous Page
To Previous Page IconTo Previous Page
Loading...
Uputstvo za korišćenje Merač protoka 141
Srpski
Bezbednost pacijenta
Projektom ovog medicinskog uređaja, pratećom
dokumentacijom i oznakama na medicinskom
uređaju predviđeno je da kupovina i korišćenje ovog
medicinskog uređaja budu ograničeni na osobe koje
su upoznate sa najvažnijim svojstvenim
karakteristikama ovog medicinskog uređaja.
Uputstva, UPOZORENJA i upućenja na OPREZ
stoga su u velikoj meri ograničena na specifične
karakteristike ovog Dräger-ovog medicinskog
uređaja.
Uputstvo za korišćenje ne sadrži nikakve informacije
o sledećim tačkama:
Opasnosti koje su očigledne korisnicima
Posledice očigledno neispravne upotrebe
medicinskog uređaja
Potencijalno negativni efekti po pacijente sa
različitim pratećim oboljenjima
Izmene na ovom medicinskom uređaju ili njegova
zloupotreba mogu da budu opasni.
Predviđena upotreba
Merač protoka je namenjen za kontrolu protoka
kiseonika ili vazduha za inhalaciju ili naduvavanje,
zajedno sa dodatnom opremom koja je potrebna za
njegov rad.
Samo za upotrebu kod pacijenata sa spontanim
disanjem.
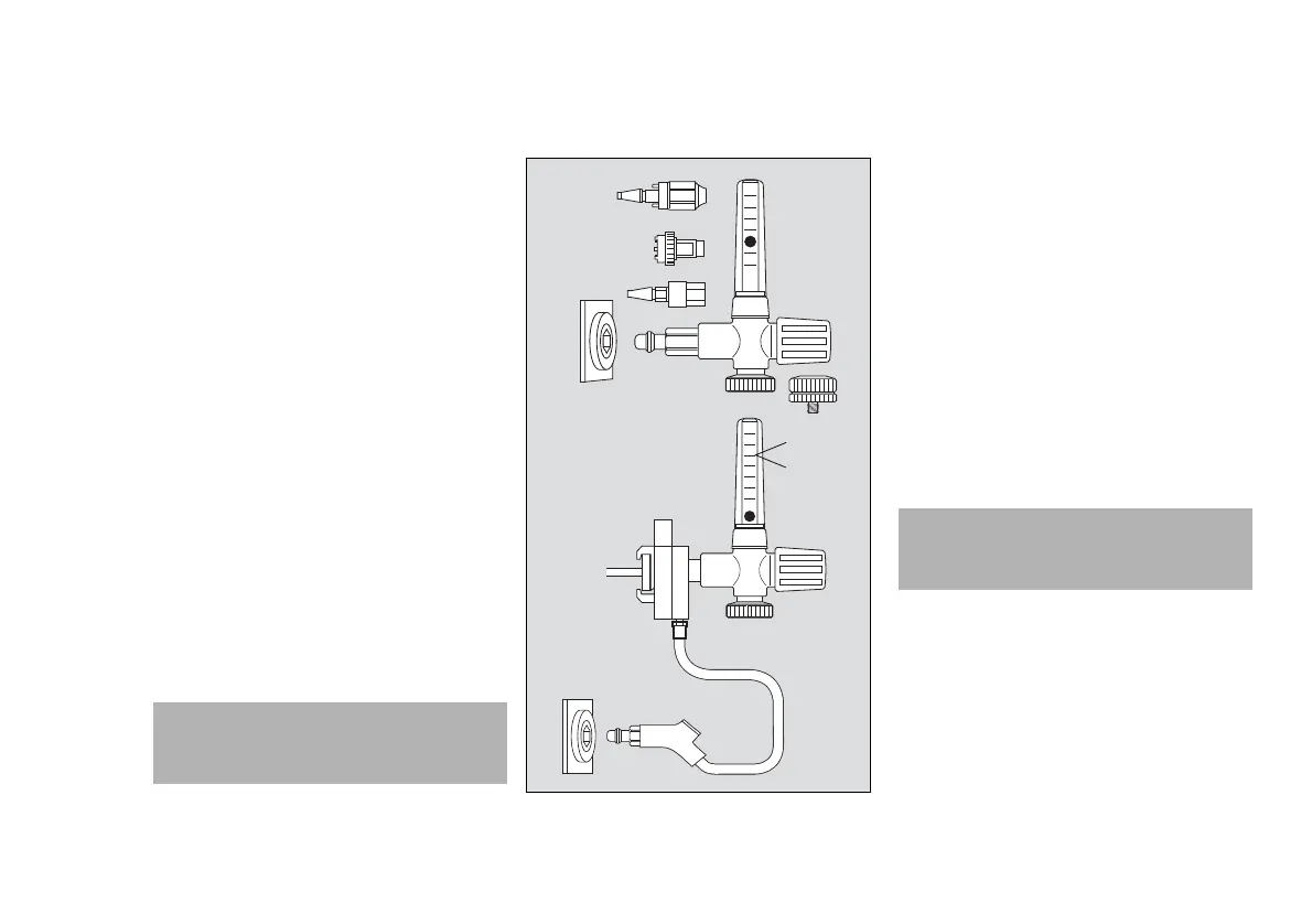
Pregled
A Sonda merača protoka (DIN)
B Merna cev sa prozorčićem za praćenje protoka
C Ručni točkić za prilagođavanje protoka
D Priključak za ovlaživač, utičnicu ili priključna
creva
E Zidni terminal
F Sonda merača protoka, britanski standard (BS)
G Sonda merača protoka, norme française (NF)
H Sonda merača protoka, japanski industrijski
standard (JIS)
I Šinska stezaljka
J Sonda dovodnog creva
K NIST priključak za dovodno crevo
L Radni pritisak
Priprema
Pripremite dodatnu opremu u skladu sa
odgovarajućim uputstvom za korišćenje.
1 Zavrtanjem pričvrstite Dräger ovlaživač,
raspršivač ili adapter na priključak (D) merača
protoka pomoću navrtke za spajanje.
Alternativno, zavrtanjem pričvrstite komercijalni
sistem za sterilnu vodu. Priključite uređaj za
primenu.
2 Ako je potrebno, priključite dovodno crevo na
priključak (K) na šinskoj stezaljki pomoću NIST
priključka.
UPOZORENJE
Podesite protok O2 koji je neophodan za
pacijenta. Preporučuje se praćenje zasićenosti
kiseonikom, posebno kod novorođenčadi.
00437050
x bar
H
G
F
E
A
D
C
B
I
J
E
K
L
OPREZ
Opasnost od povrede pacijenta
Uvek proverite da li tip dopremanog gasa odgovara
datoj primeni.

Table of Contents

Related product manuals