EasyManua.ls Logo

Dräger MP04551 - A Készülék Felépítése; Előkészítés; Javasolt Alkalmazás

Dräger MP04551
Print Icon
To Next Page IconTo Next Page
To Next Page IconTo Next Page
To Previous Page IconTo Previous Page
To Previous Page IconTo Previous Page
Loading...
Használati útmutató Áramlásmérő 117
Magyar
A páciens biztonsága
Az orvostechnikai eszköz kialakítása, a mellékelt
dokumentáció és az orvostechnikai eszközön
található címkék feltételezik, hogy csak gyakorlott
egészségügyi szakemberek fogják megvásárolni és
használni az orvostechnikai eszközt, akik ismerik az
orvostechnikai eszköz alapfunkcióit.
Ezért az utasítások, illetve a VIGYÁZAT és
FIGYELEM felhívások nagymértékben a Dräger
orvostechnikai eszköz jellemzőire korlátozódnak.
a használati útmutató nem tartalmaz információkat
az alábbiakról:
a felhasználók számára nyilvánvaló
veszélyekről,
az orvostechnikai eszköz egyértelműen
helytelen használatának következményeiről,
a különböző alapbetegségekben szenvedő
páciensekre kifejtett potenciálisan negatív
hatásokat
Az orvostechnikai eszköz módosítása, illetve nem
rendeltetésszerű használata veszélyes lehet.
Javasolt alkalmazás
Az eljáráshoz szükséges tartozékokkal kombinálva
az áramlásmérővel az oxigén vagy a levegő
áramlása szabályozható belégzéshez vagy
befúváshoz.
Kizárólag spontán légzésű pácienseken
használható.
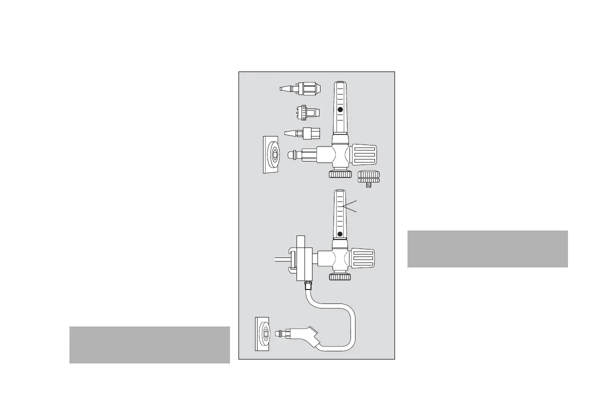
A készülék felépítése
A Áramlásmérő szondája (DIN)
B Áramlástömlő áramlás kijelzővel
C Kézikerék áramlás beállításhoz
D Csatlakozó párásítóhoz, aljzathoz vagy
csatlakozótömlőkhöz
E Csőcsatlakozó
F Áramlásmérő szondája, British Standard (BS)
G Áramlásmérő szondája, Norme Française (NF)
H Áramlásmérő szondája, Japan Industrial
Standard (JIS)
I Sínkapocs
J Bekötőcső szondája
K NIST csatlakozó a bekötőcső számára
L Üzemi nyomás
Előkészítés
Készítse elő a tartozékokat a megfelelő
használati útmutató szerint.
1 Csavarja a Dräger párásítót, porlasztót vagy
adaptert az áramlásmérő csatlakozójára (D) a
hollandi anya használatával. Másik
lehetőségként csavarja kereskedelemben
kapható steril víz rendszerre. Csatlakoztassa az
alkalmazási készüléket.
2 Szükség esetén csatlakoztassa a bekötőcsövet
a sínkapcson levő csatlakozóra (K) a NIST
csatlakozás használatával.
VIGYÁZAT
Állítsa be a páciens számára szükséges O2
áramlást. Az oxigénszaturáció monitorozása
szükséges, főleg újszülöttek esetében.
00437050
x bar
H
G
F
E
A
D
C
B
I
J
E
K
L
FIGYELEM
A páciens sérülésének veszélye
Mindig ellenőrizze, hogy a csatlakoztatott gázfajta
megfelelő-e az adott célra.

Table of Contents

Related product manuals