EasyManua.ls Logo

Dräger MP04551 - Genel Bakış; Hazırlık; Kullanma Amacı

Dräger MP04551
Print Icon
To Next Page IconTo Next Page
To Next Page IconTo Next Page
To Previous Page IconTo Previous Page
To Previous Page IconTo Previous Page
Loading...
Kullanma kılavuzu Akış Ölçer 165
Türkçe
Hasta güvenliği
Tıbbi cihazın tasarımı, eşlik eden belgeler ve tıbbi
cihaz üzerine yapılan etiketleme, tıbbi cihazın satın
alımının ve kullanımının uzmanlarla sınırlı olduğunu
ve tıbbi cihazın en önemli yapısal özelliklerini bilen
kişilerle sınırlı olduğunu varsaymaktadır.
Bu nedenle, talimatlar ve UYARI ve DİKKAT ifadeleri,
büyük ölçüde Dräger tıbbi cihazının özellikleriyle
sınırlıdır.
Kullanım kılavuzu aşağ
ıdaki hususlarla ilgili bilgi
içermez:
–Kullanıcılar açısından bariz olduğu düşünülen
riskler
–Tıbbi cihazın uygun olmayan şekilde
kullanılmasının sonuçları
Altta yatan farklı hastalıklara sahip hastalar
üzerinde potansiyel olarak olumsuz etkileri
Tıbbi cihaz değişikliği ve yanlış kullanımı tehlikeli
olabilir.
Kullanma amacı
Akış ölçer, çalıştırma için gerekli aksesuarlar ile
birlikte solunum ya da dağıtım için oksijenin veya
Havanın akışını kontrol etmek üzere tasarlanmıştır.
Yalnızca spontan solunumlu hastalarda
kullanılmalıdır.
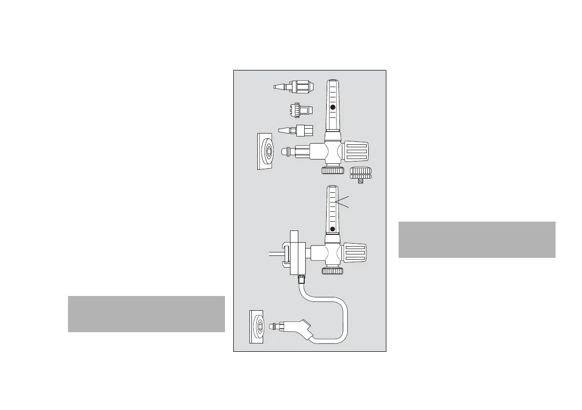
Genel bakış
A Akış ölçer probu (DIN)
B Akış göstergeli akış tüpü
C Akış ayarı için el çarkı
D Nemlendirici, soket veya bağlantı hortumları için
konnektör
E Terminal ünitesi
F Akış ölçer probu, İngiliz Standardı (İS)
G Akış ölçer probu, Fransız Standardı (FS)
H Akış ölçer probu, Japon Endüstriyel Standardı
(JES)
I Ray kelepçesi
J Besleme hortumu probu
K Besleme hortumu için NIST konnektörü
L Çalışma basıncı
Hazırlık
Aksesuarları, ilgili kullanma kılavuzuna göre
hazırlayın.
1 Rakor somununu kullanarak Dräger
nemlendiriciyi, nebülizörü veya adaptörü
konnektöre (D) vidalayın. Alternatif olarak
piyasada satılan steril su sistemine vidalayın.
Uygulama cihazını bağlayın.
2 Gerekirse, NIST bağlantısını kullanarak besleme
hortumunu ray kelepçesi üzerindeki konnektöre
(K) bağlayın.
UYARI
Hasta için gerekli O2 akışını ayarlayın. Özellikle
yenidoğanlar için oksijen doygunluğunun izlen-
mesi gerekir.
00437050
x bar
H
G
F
E
A
D
C
B
I
J
E
K
L
DİKKAT
Hastanın yaralanma tehlikesi
Her zaman verilen gaz tipinin uygulama için uygun
olduğunu kontrol edin.

Table of Contents

Related product manuals