EasyManua.ls Logo

Dräger MP04551 - Page 187

Dräger MP04551
Print Icon
To Next Page IconTo Next Page
To Next Page IconTo Next Page
To Previous Page IconTo Previous Page
To Previous Page IconTo Previous Page
Loading...
取扱説明書 流量計 187
日本語
使用目的
流量計は、 操作に必要 組み合わ
せて、 O2 Air の流量調整 す。
自発呼吸のあ患者にのみ使用
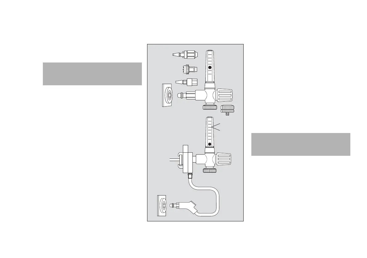
概要
A 流量計 (DIN)
B ー表示付
C ー調節用
D 加湿器用 ー、 は接続ホ
E 配管口
F 流量計の 英国規格 (BS)
G 流量計の 規格 (NF)
H 流量計の 日本工業規格 (JIS)
I レールク ンプ
J 供給スの端末
K 供給ホ NIST コネク
L 動作圧力
準備
付属の取扱説明書に従い 準備
して下さ
1 Dräger 加湿器、
流量計の (D) に接続
は、 市販の滅菌水に接
ます 使する装置を取り付けます
2 必要に応 NIST 接続用い供給
NIST レールクのコネク (K) に接
続し
3 レールクンプ (I) をレ 押し
込んその位置に固定 す。
4 各国指定の流量計 (A) (F) (G) (H)
ずれか、 は供給 (J) を配
管口 (E) に接続 ます。
警告
患者に 必要 O2 流量
新生児患者に ては、 酸素飽和度の
グが必要す。
00437050
x bar
H
G
F
E
A
D
C
B
I
J
E
K
L
注意
患者に危害及ぼす危険性
供給ガが目的に た種類のか、
に確認 て下 い。

Table of Contents

Related product manuals