EasyManua.ls Logo

DRESSTA 560C - Brake Hydraulic System Schematic

DRESSTA 560C
167 pages
Print Icon
To Next Page IconTo Next Page
To Next Page IconTo Next Page
To Previous Page IconTo Previous Page
To Previous Page IconTo Previous Page
Loading...
SECTION 6 SPECIFICATIONS
Page 8
OM560C99/1E DRESSTA
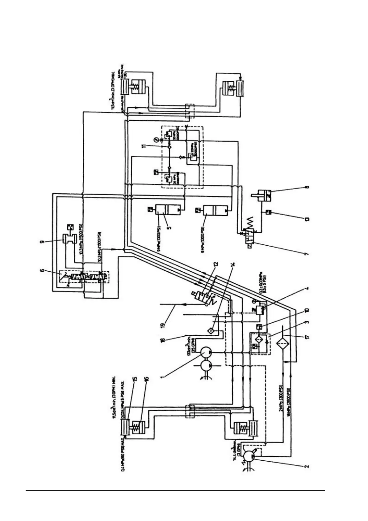
6.6. BRAKE HYDRAULIC SYSTEM SCHEMATIC
Fig. 6.4. Brake Hydraulic System Schematic

Table of Contents