EasyManua.ls Logo

DRESSTA 560C - Page 154

DRESSTA 560C
167 pages
Print Icon
To Next Page IconTo Next Page
To Next Page IconTo Next Page
To Previous Page IconTo Previous Page
To Previous Page IconTo Previous Page
Loading...
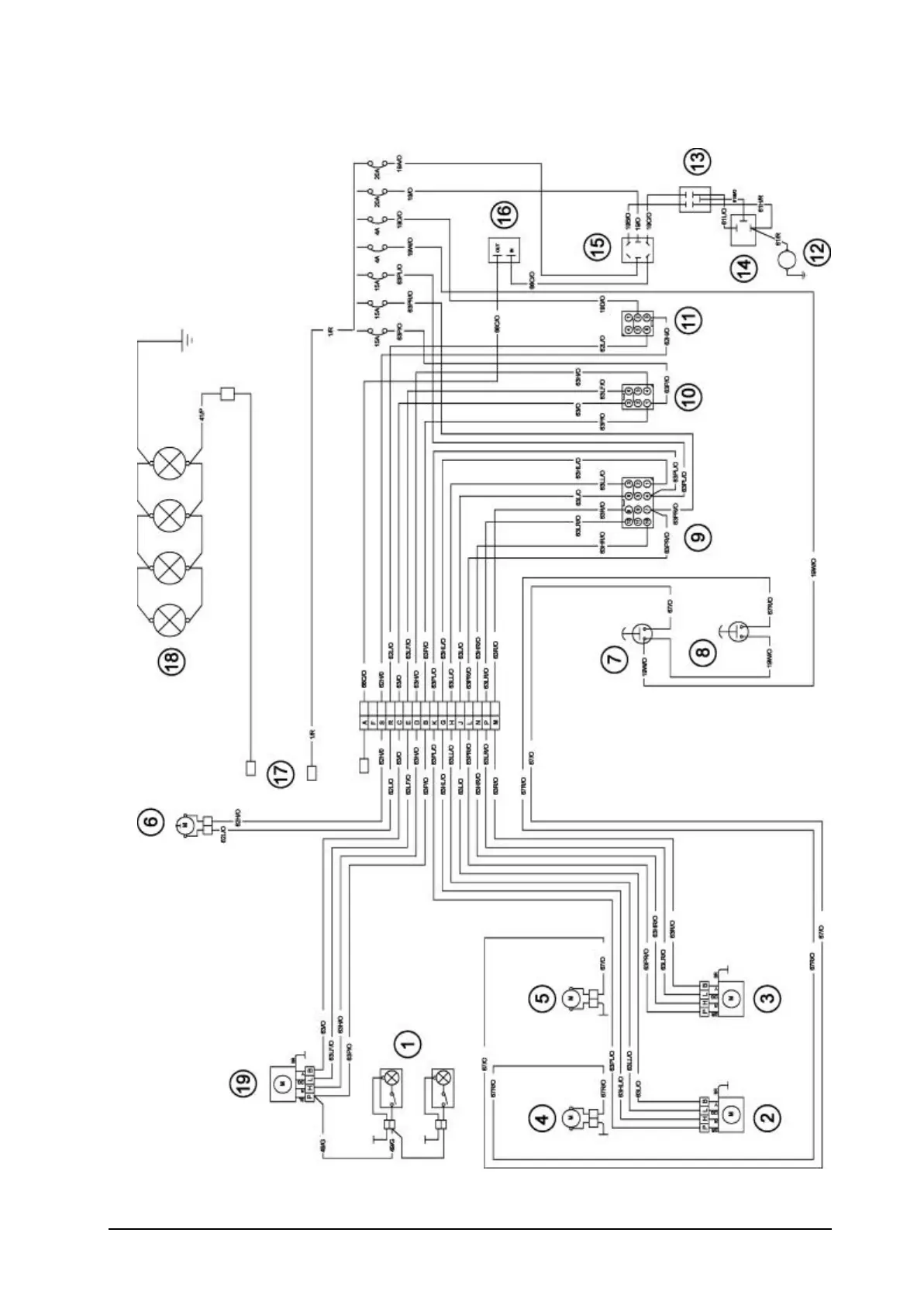
SPECIFICATIONS SECTION 6
Page 13
DRESSTA OM560C99/1E
WIRING DIAGRAM
Fig. 6.6. Wiring Diagram Of Cab

Table of Contents