EasyManua.ls Logo

DriSteem XT-10 - Replacement Parts

DriSteem XT-10
72 pages
Print Icon
To Next Page IconTo Next Page
To Next Page IconTo Next Page
To Previous Page IconTo Previous Page
To Previous Page IconTo Previous Page
Loading...
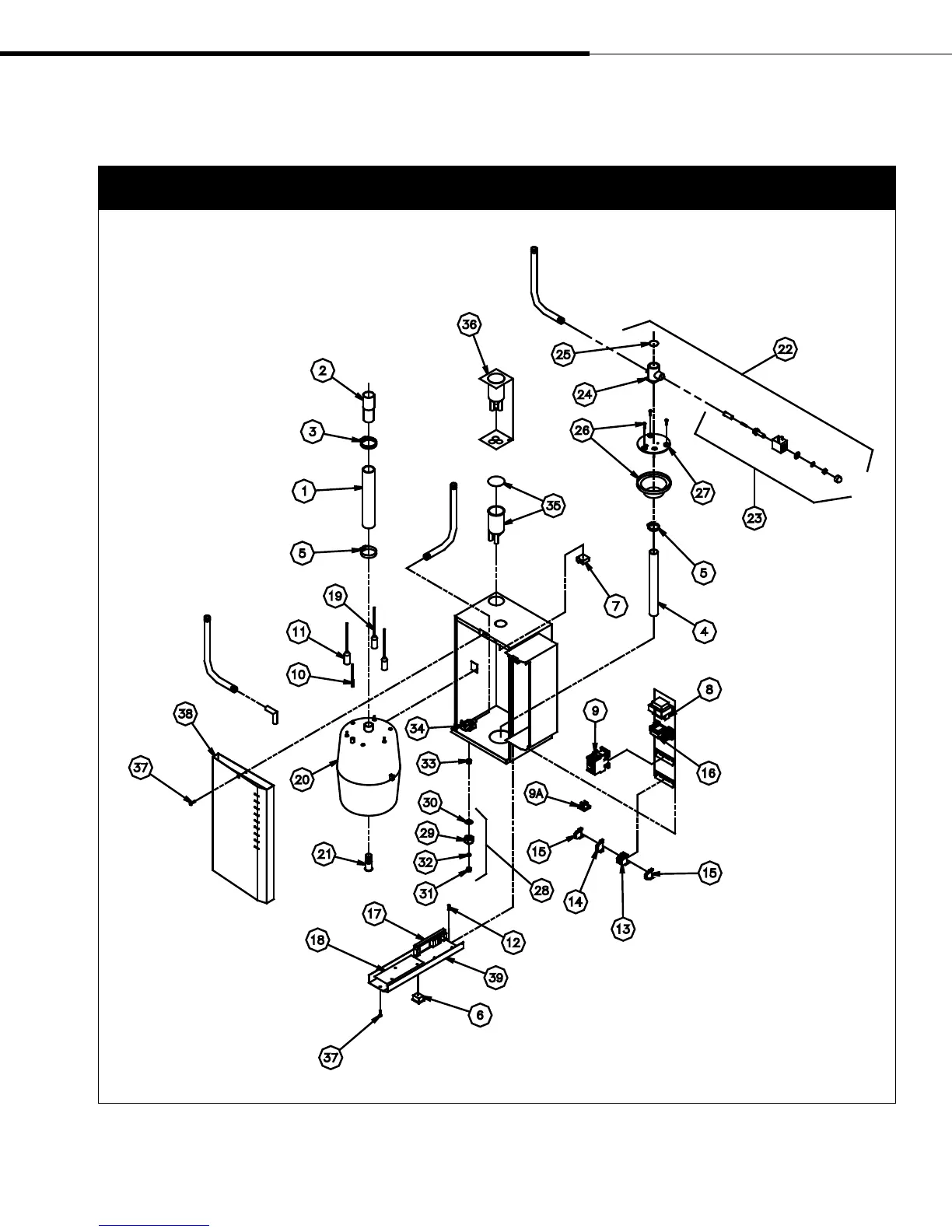
DRI-STEEM XT Series Electrode Steam Humidifier Installation, Operation, and Maintenance Manual • Page 65
Replacement parts
Figure 65-1:
XT Series replacement parts
OM-7372
XT_IOM_Jan_2008.pdf 67 11/19/2009 10:13:41 AM

Related product manuals