EasyManua.ls Logo

dunphy TD - General Arrangement Details; High Low;Modulating Burners on Gas, High Low on Oil

dunphy TD
165 pages
Print Icon
To Next Page IconTo Next Page
To Next Page IconTo Next Page
To Previous Page IconTo Previous Page
To Previous Page IconTo Previous Page
Loading...
13 of 165
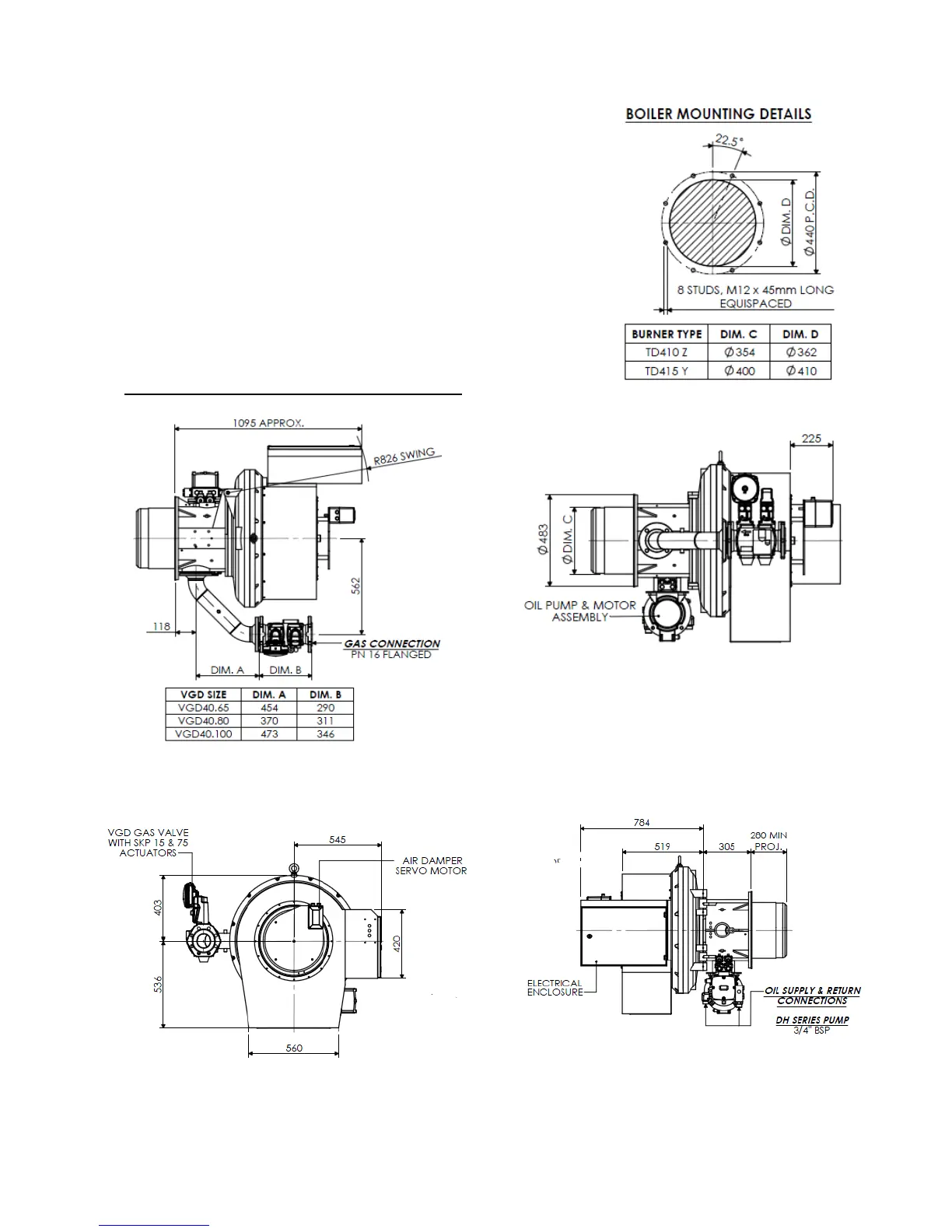
1.6 General arrangement details
1.6.1 High low/modulating burners on gas, high low on oil
High Low and Pneumatic Modulation burners both use air/gas
ratio valves (details can be found in the component section of this
manual). They have built-in governors thus not requiring an
external governor for gas pressures up to 350mbar.
In this configuration the gas valve requires two signals from the
burner - the air pressure of the burner and furnace resistance of the
boiler. The furnace resistance is monitored with a stainless steel
piece of pipe which is projected into the furnace along the side of
the burner head. This will require an additional hole or notch in the
boiler mounting plate to accommodate see mounting detail.
TD410 - 415 Burners with VGD40 Gas Valve

Table of Contents