EasyManua.ls Logo

dunphy TD - Fuel Pumps and Motors

dunphy TD
165 pages
Print Icon
To Next Page IconTo Next Page
To Next Page IconTo Next Page
To Previous Page IconTo Previous Page
To Previous Page IconTo Previous Page
Loading...
Operating Instructions For TD/TAD4 Dual Fuel Burner
June 13 51 of 165 TD/TAD4 Manual Rev 4
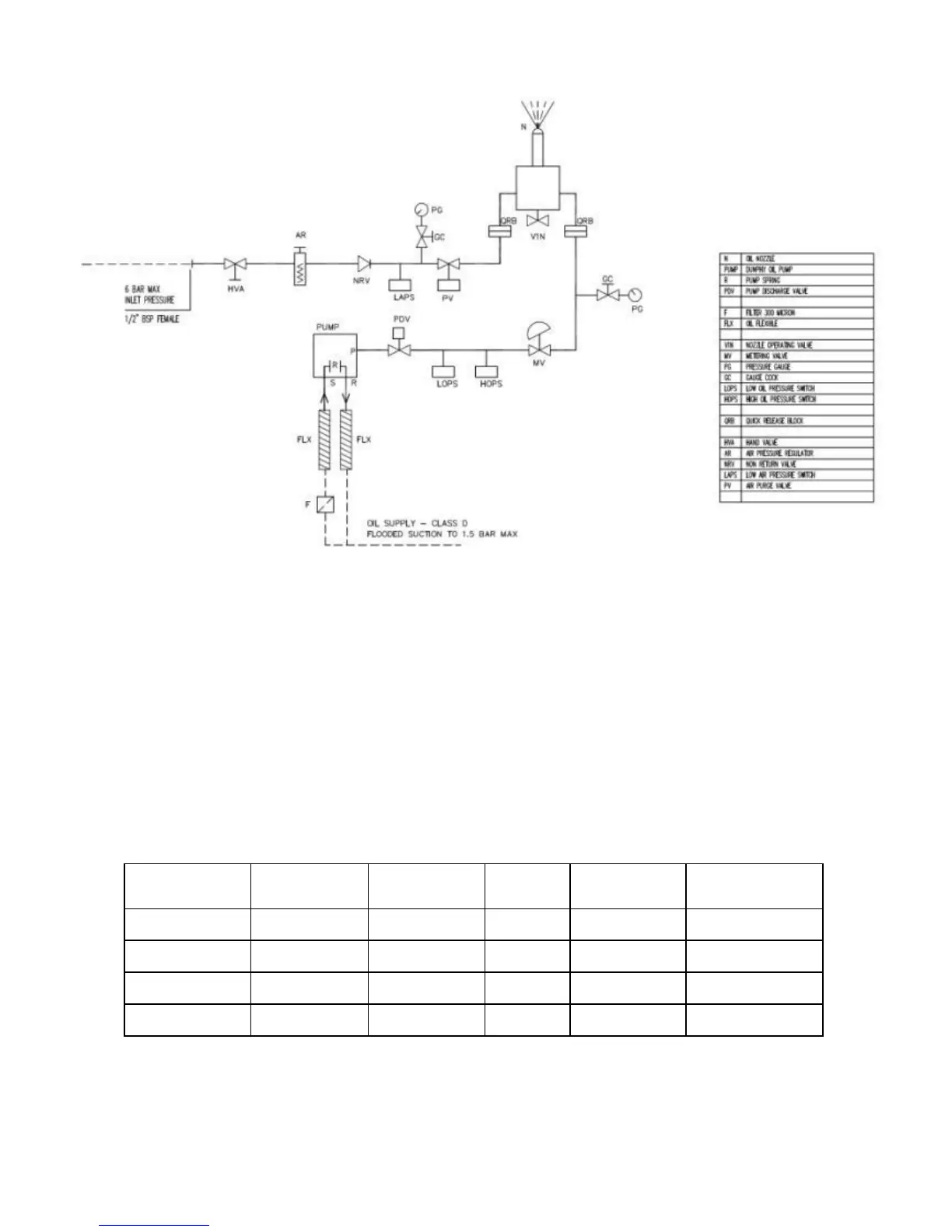
4.3.8 Fuel Pumps and Motors
All `TD` series burners are supplied with a separate, directly coupled fuel pump and drive motor.
Details of the various sizes of pumps and motors are given in the table below.
BURNER TYPE
PUMP TYPE
MOTOR SIZE
(kW)
RPM
DRIVE
COUPLING
OIL LINE
CONNECTIONS
TD410ZHL
DH1-1-30
1.1
2800
Fig 71
3
/
4
" BSP
TD410ZM
DH1-1-30
1.1 or 2.2
2800
Fig 71
3
/
4
" BSP
TD415YM
DH1-2-30
2.2
2800
Fig 71
3
/
4
" BSP
TD420YM
DH2-1-30
3.0
2800
Fig 71
1" BSP

Table of Contents