EasyManua.ls Logo

dunphy TD - TD10-415 Multi - Fuel Low Nox Burner General Arrangement

dunphy TD
165 pages
Print Icon
To Next Page IconTo Next Page
To Next Page IconTo Next Page
To Previous Page IconTo Previous Page
To Previous Page IconTo Previous Page
Loading...
Operating Instructions For TD/TAD4 Dual Fuel Burner
June 13 16 of 165 TD/TAD4 Manual Rev 4
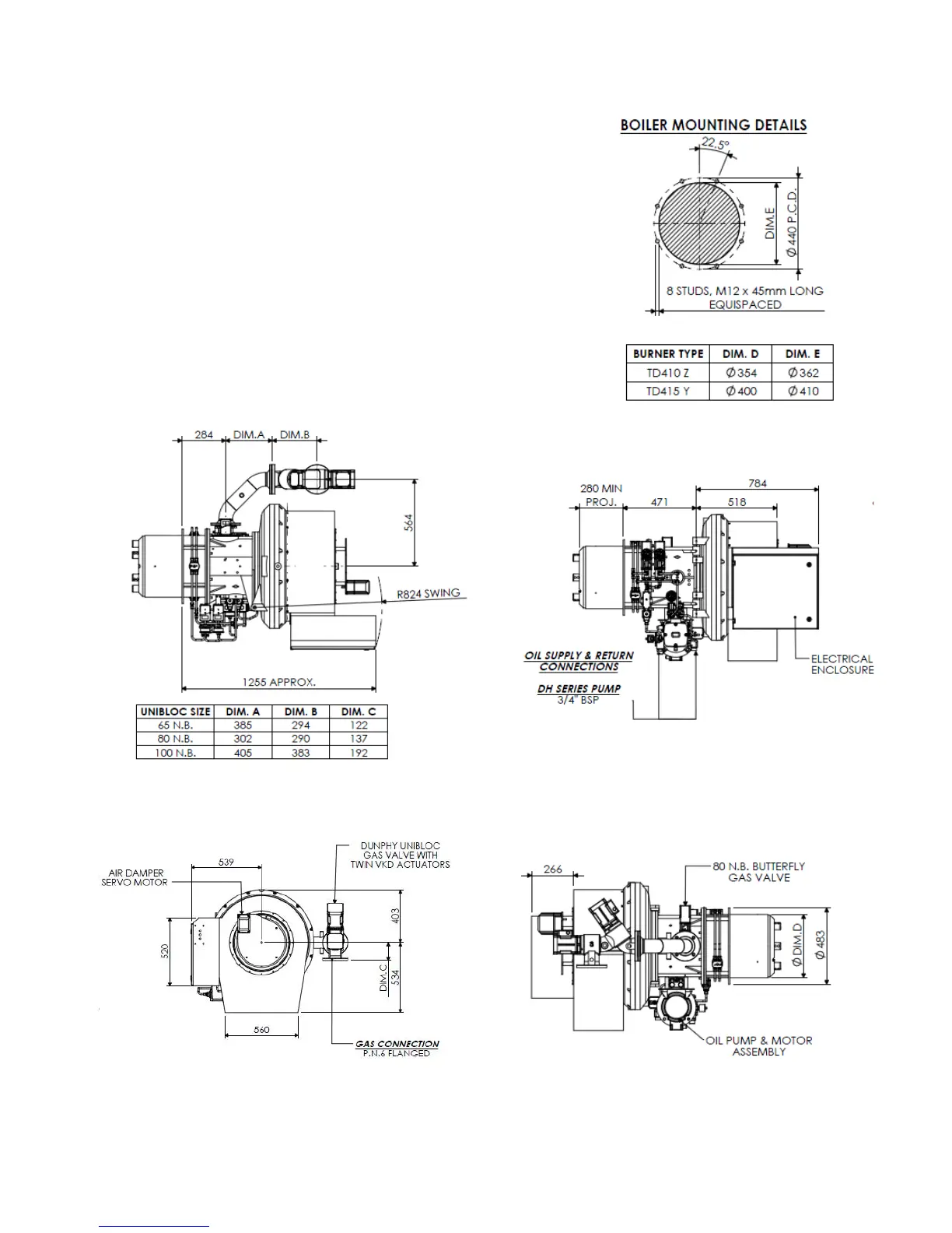
1.6.3 TD10-415 Multi Fuel Low Nox Burner General Arrangement

Table of Contents