EasyManua.ls Logo

dunphy TD - Page 15

dunphy TD
165 pages
Print Icon
To Next Page IconTo Next Page
To Next Page IconTo Next Page
To Previous Page IconTo Previous Page
To Previous Page IconTo Previous Page
Loading...
Operating Instructions For TD/TAD4 Dual Fuel Burner
June 13 15 of 165 TD/TAD4 Manual Rev 4
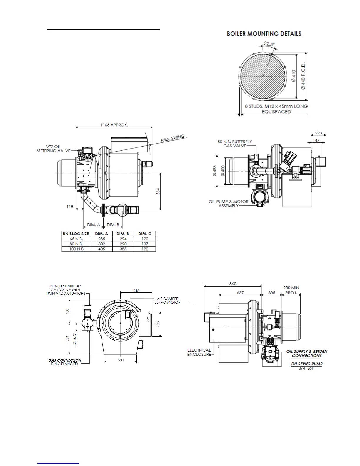
TD420 Burners with Unibloc Gas Valve

Table of Contents