EasyManua.ls Logo

dunphy TD - Modulating TD415-420 Burners Fitted with Low Nox Multi-Pipe Gas Head & Multi-Oil

dunphy TD
165 pages
Print Icon
To Next Page IconTo Next Page
To Next Page IconTo Next Page
To Previous Page IconTo Previous Page
To Previous Page IconTo Previous Page
Loading...
Operating Instructions For TD/TAD4 Dual Fuel Burner
June 13 35 of 165 TD/TAD4 Manual Rev 4
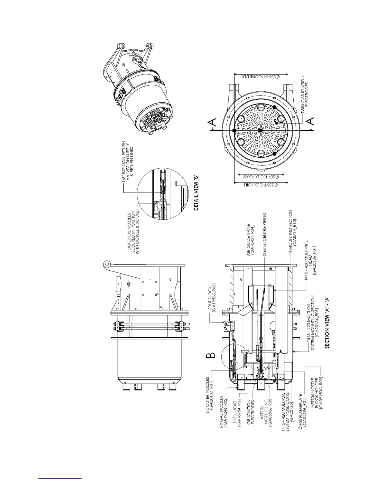
3.1 Modulating TD415-420 Burners Fitted With Low NOx Multi-Pipe Gas Head & Multi-
Oil

Table of Contents