EasyManua.ls Logo

Electrolux EWM1000 - EWM25 xx Without Aqua Control Circuit Diagram

Electrolux EWM1000
176 pages
Print Icon
To Next Page IconTo Next Page
To Next Page IconTo Next Page
To Previous Page IconTo Previous Page
To Previous Page IconTo Previous Page
Loading...
ENV06 EWM11xx EWM21xx EWM25xx/35xx
QUICK GUIDE AND APPLIANCES LIST 64/176 599 72 40-80
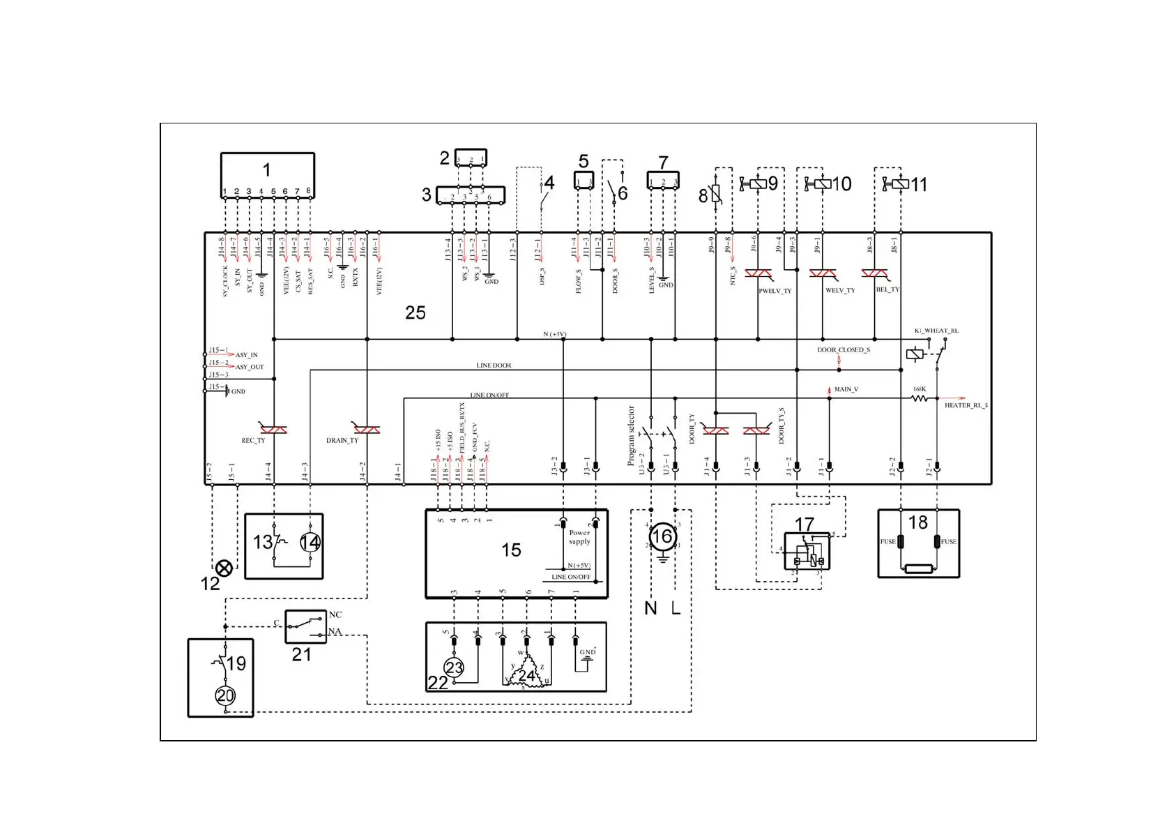
3.15 Basic circuit diagram EWM25xx without aqua control

Table of Contents

Related product manuals