EasyManua.ls Logo

Engine distributors WSG-1068 - Page 177

Default Icon
331 pages
Print Icon
To Next Page IconTo Next Page
To Next Page IconTo Next Page
To Previous Page IconTo Previous Page
To Previous Page IconTo Previous Page
Loading...
161
WSG-1068 IGNITION SYSTEM
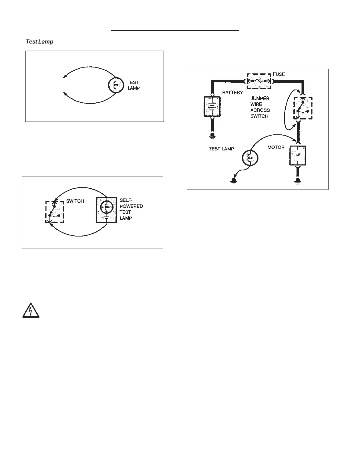
Figure 2 – Test Lamp
A Test Light is a 12-volt bulb with two test leads
(Figure 2).
Uses: Voltage Check, Short Check.
Self-Powered Test Lamp
Figure 3 – Continuity Check
The Self-Powered Test Lamp is a bulb, battery and set
of test leads wired in series (Figure 3). When connected
to two points of a continuous circuit, the bulb glows.
Uses: Continuity Check, Ground Check.
CAUTION: When using a self-powered test
lamp or ohmmeter, be sure power is off in circuit
during testing. Hot circuits can cause equipment
damage and false readings.
Switch Circuit Check & Voltage
Check
Figure 4 – Switch Circuit Check and
Voltage Check
In an inoperative circuit with a switch in series with the
load, jumper the terminals of the switch to power the
load. If jumpering the terminals powers the circuit, the
switch is inoperative (Figure 4).
Continuity Check (Locating open circuits)
Connect one lead of test lamp to a known good ground
or the negative (-) battery terminal. Test for voltage by
touching the other lead to the test point. The bulb goes
on when the test point has voltage (Figure 4).

Table of Contents

Related product manuals