EasyManua.ls Logo

Epson SCARA ROBOT - Page 33

Epson SCARA ROBOT
216 pages
Print Icon
To Next Page IconTo Next Page
To Next Page IconTo Next Page
To Previous Page IconTo Previous Page
To Previous Page IconTo Previous Page
Loading...
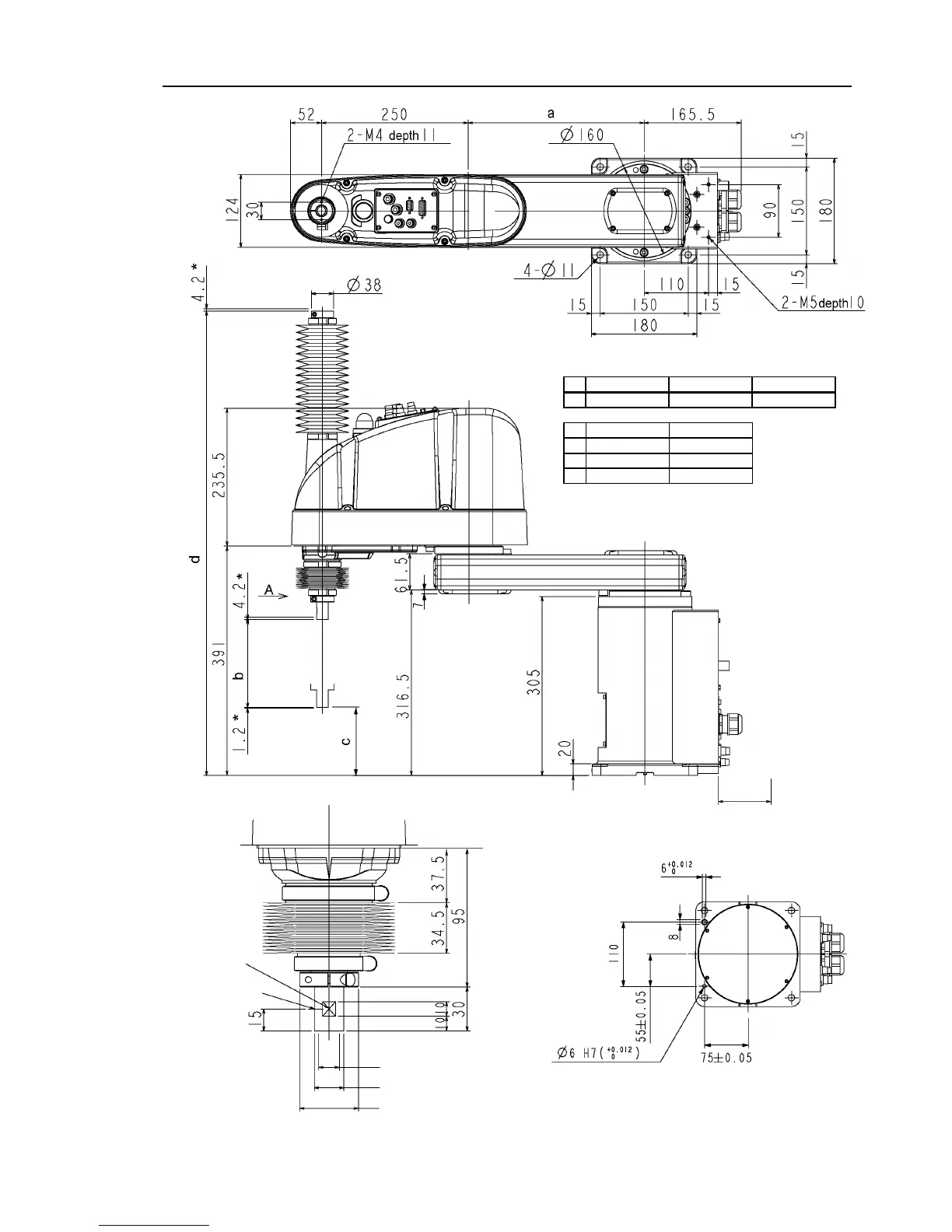
Setup & Operation 2. Specifications
G6 Rev.21 21
G6-45*C
G6-55*C
G6-65*C
a
200
300
400
G6-**1C
G6-**3C
b
150
300
c
116
34
d
792
942
Conical
hole
ø4,90°
1 mm flat cut
Max.
ø1
4 through hole
ø2
0 h7
shaft
diameter
ø40 mechanical stop diameter
90 or more
Space for cables
(*) indicates the stroke margin by mechanical stop.
Reference through hole
(View from the bottom of the base)
Root both side chamfer C0.5
Detail of “A”
(Calibration point position of Joints #3 and #4)

Table of Contents

Related product manuals