EasyManua.ls Logo

ESAB A2-A6 PEK - 1 AP1 Component Positions

ESAB A2-A6 PEK
64 pages
Print Icon
To Next Page IconTo Next Page
To Next Page IconTo Next Page
To Previous Page IconTo Previous Page
To Previous Page IconTo Previous Page
Loading...
DESCRIPTION OF OPERATION
0740 801 028
- 32 -
© ESAB AB 2017
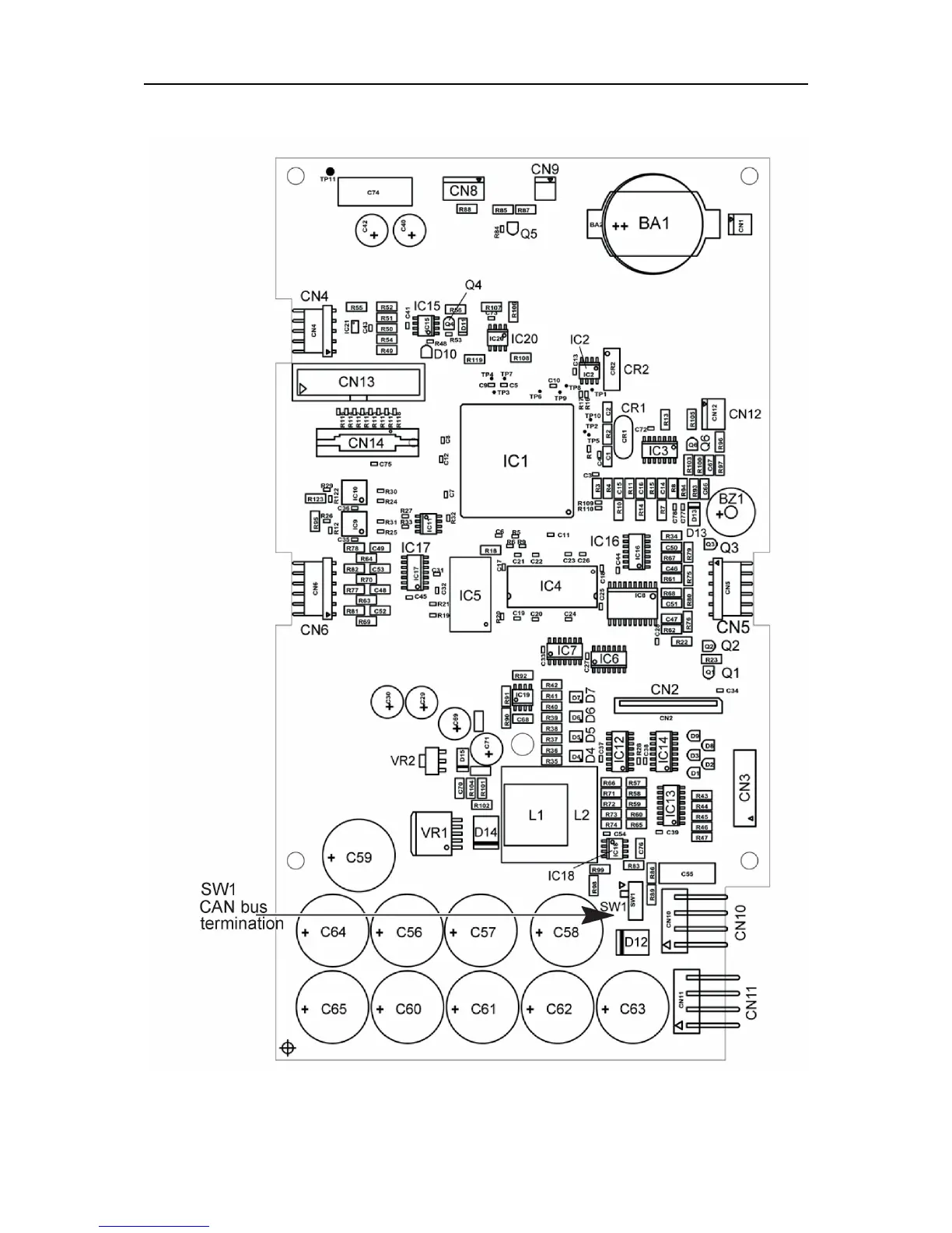
1AP1 Component positions
Component positions for the welding data board, up to and including serial no. 327-xxx-xxxx

Related product manuals