EasyManua.ls Logo

ESAB A2-A6 PEK - INTRODUCTION; Control Unit Architecture

ESAB A2-A6 PEK
64 pages
Print Icon
To Next Page IconTo Next Page
To Next Page IconTo Next Page
To Previous Page IconTo Previous Page
To Previous Page IconTo Previous Page
Loading...
INTRODUCTION
0740 801 028
- 5 -
© ESAB AB 2017
INTRODUCTION
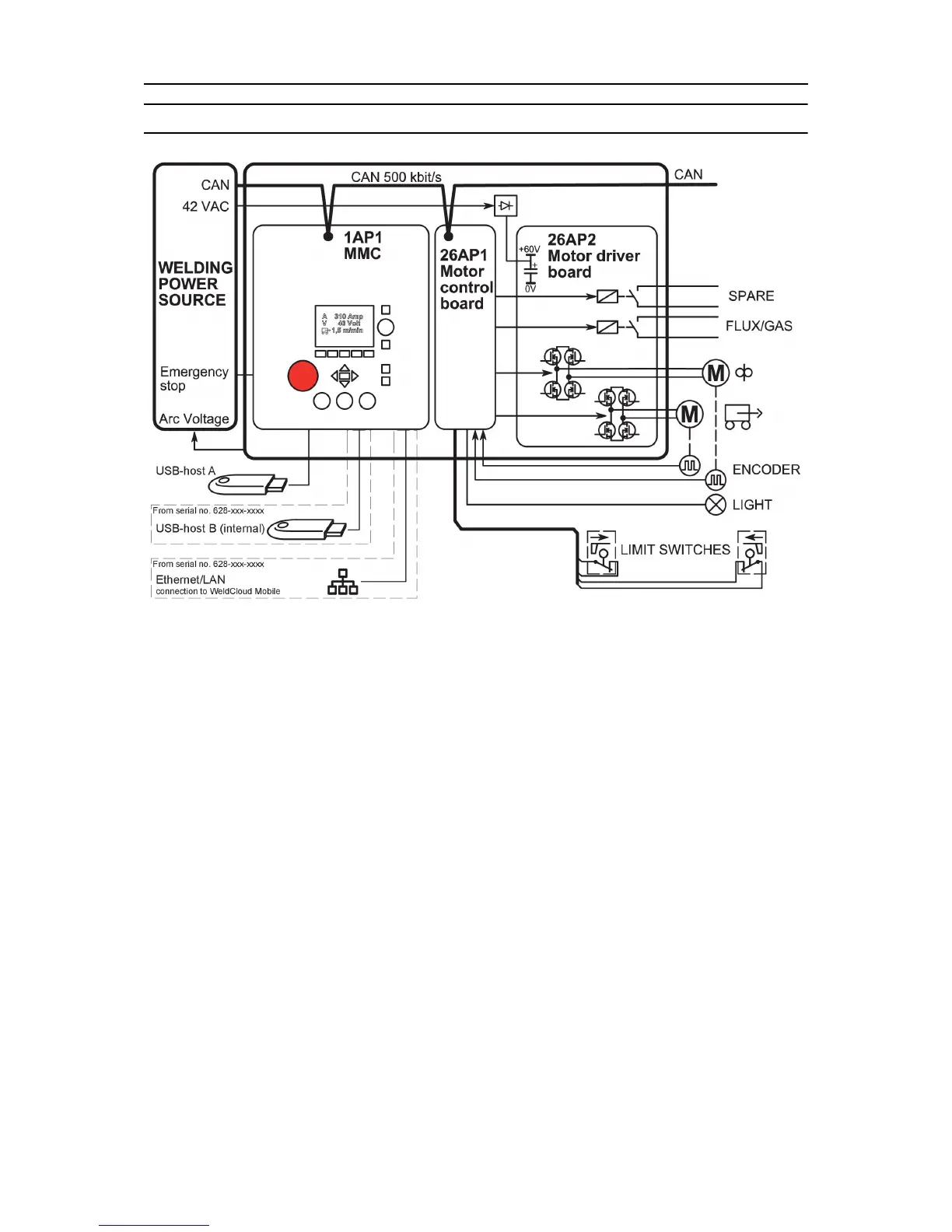
Block diagram of the PEK
Design structure of the control unit
PEK is a control unit for power sources intended for submerged arc welding (SAW) and for
gas metal arc welding (GMAW) The control unit includes a motor control for use together
with automatic welding machines, column and booms.
It has connections for:
welding power source
emergency stop
CAN bus
USB-memory (Fromserialno.628-xxx-xxxx the unit is equipped with a second USB
connector, located inside the unit on the MMC/Welding data board.)
motors
control of flux/gas
encoders
limit switches
the ESAB WeldCloud™ Mobile unit (via Ethernet connection)
(fromserialno.628-xxx-xxxx)
1AP1 MMC module
The control unit has an MMC with processor, memory, control buttons and a display. The
MMC is connected to the welding power source and the motor control board with a 500
kbit/s CAN bus. The unit is powered with 12 V supplied via the CAN connection.

Related product manuals