EasyManua.ls Logo

ESAB A2-A6 PEK - 26 AP1:3 Encoder for Wire Feed Motor

ESAB A2-A6 PEK
64 pages
Print Icon
To Next Page IconTo Next Page
To Next Page IconTo Next Page
To Previous Page IconTo Previous Page
To Previous Page IconTo Previous Page
Loading...
DESCRIPTION OF OPERATION
0740 801 028
- 36 -
© ESAB AB 2017
Hardware reset
In some cases it is necessary to reset the hardware.
To do this, follow these steps:
1. With the power turned off, mount a jumper on pins 1,2 and 3 in connector CN23.
2. Turn the power on and wait until LED D10 flashes continously with a green light.
3. Turn the power off and remove the jumper.
When the power is turned on again, the hardware is reset.
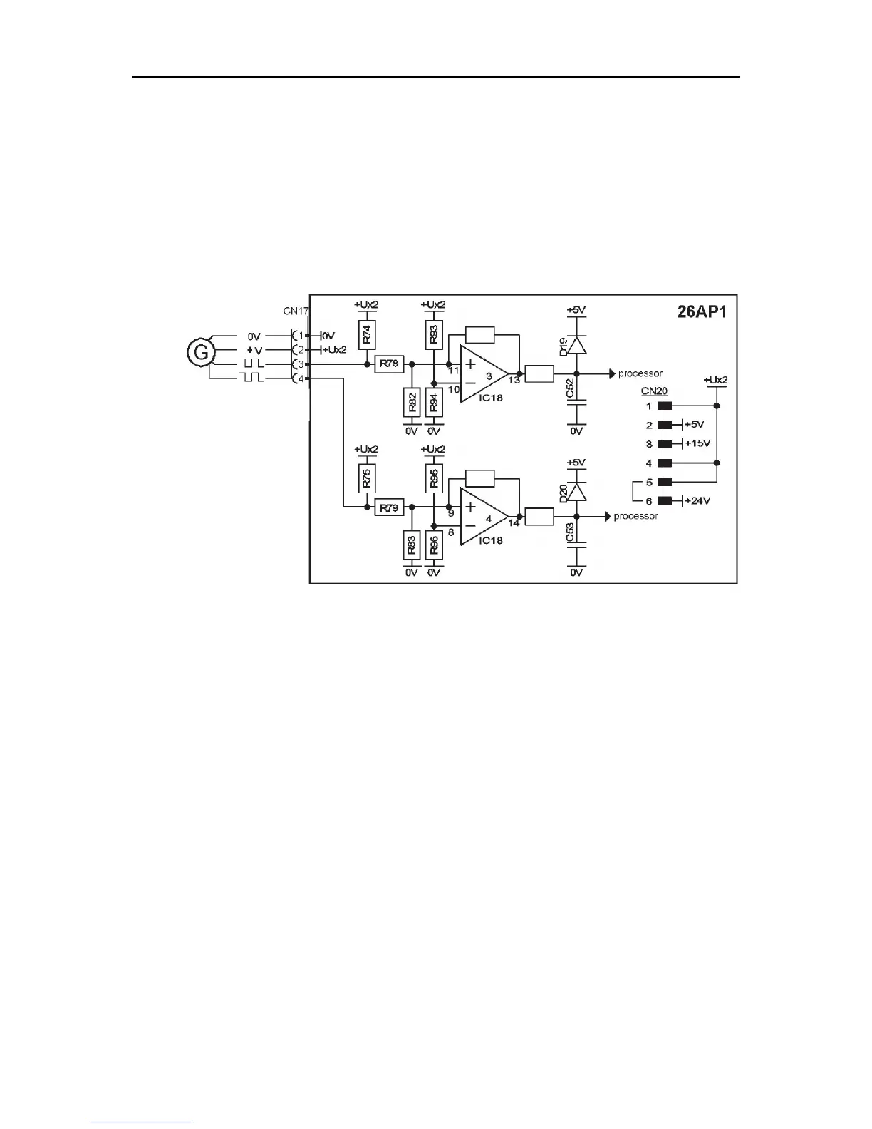
26AP1:3 Encoder for wire feed motor
The external encoder is supplied with 5, 15 or 24 V depending on the voltage selector CN20.
In the picture the jumper between pin 5 and 6 of terminal CN20 selects 24 V.
During rotation there are pulses at terminals CN17:3 and 4. The pulse frequency is a
measure of the speed. The phase relation between the two pulse trains gives the direction of
rotation.

Related product manuals