EasyManua.ls Logo

ESAB Mig 4002cw - CB0:5.1 Calibrating the Current Sensor Signal

ESAB Mig 4002cw
64 pages
Print Icon
To Next Page IconTo Next Page
To Next Page IconTo Next Page
To Previous Page IconTo Previous Page
To Previous Page IconTo Previous Page
Loading...
-- 24 --
1sxx02cw
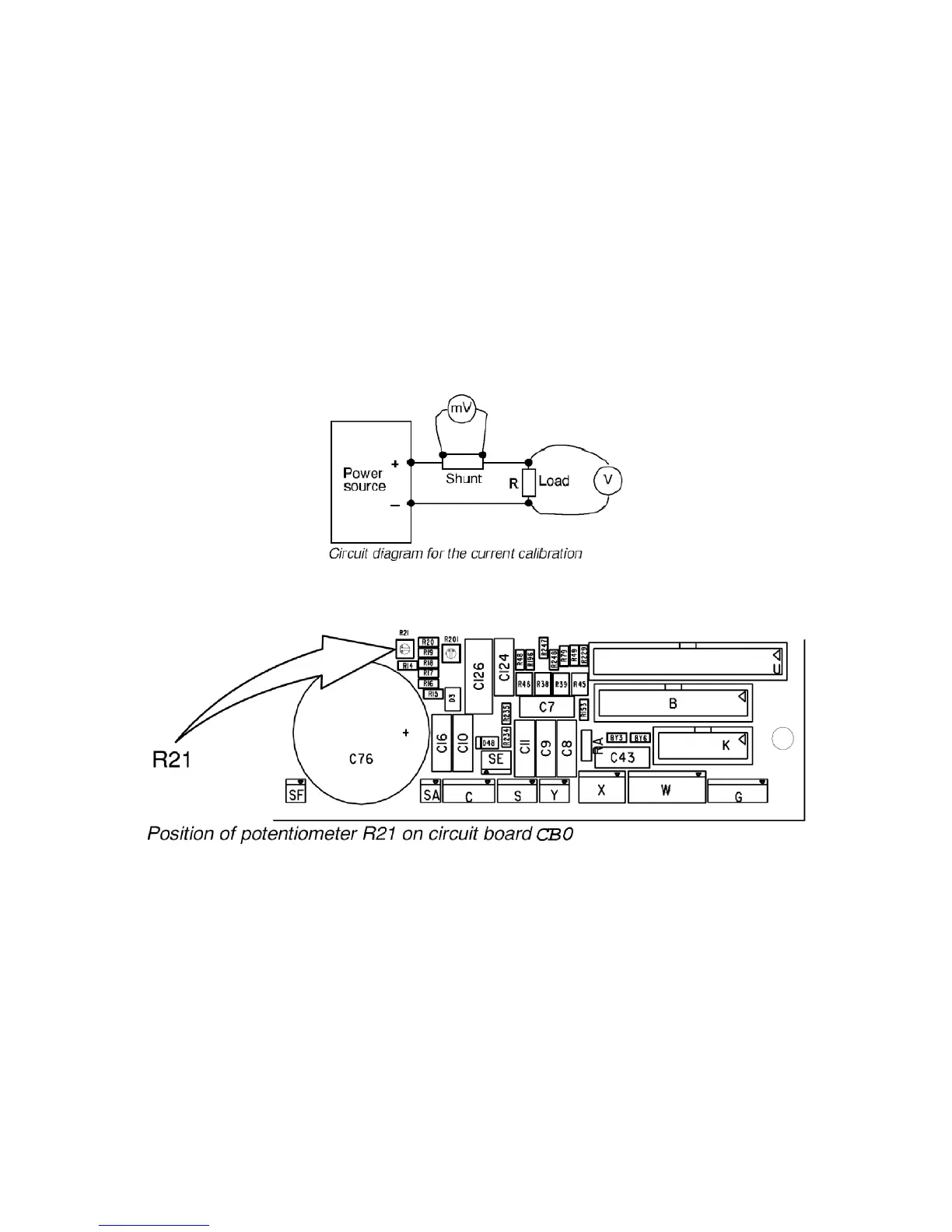
CB0:5.1 Calibrating the current sensor signal
1 Connect the power source to a resistive load.
2 Connect a calibrated shunt in series with the load.
3 Set the power source to MMA mode.
4 Set a welding current of 100 A.
5 Load the power source so that the voltage across the load is 24 V.
6 Measure the shunt voltage using a calibrated multimeter.
7 Using potentiometer R21 on circuit board CB0, adjust the shunt voltage to
correspond to 100 A 1 A.
8 Check the current at low values as well: 16 A at 19 -- 22 V, for which the
tolerance is
±
1 A. If the current is outside the tolerance, replace current
sensor CS.

Table of Contents

Related product manuals