EasyManua.ls Logo

ESAB Mig 4002cw - ACH10:4 Pre Charging Voltage Sense

ESAB Mig 4002cw
64 pages
Print Icon
To Next Page IconTo Next Page
To Next Page IconTo Next Page
To Previous Page IconTo Previous Page
To Previous Page IconTo Previous Page
Loading...
-- 32 --
1sxx02cw
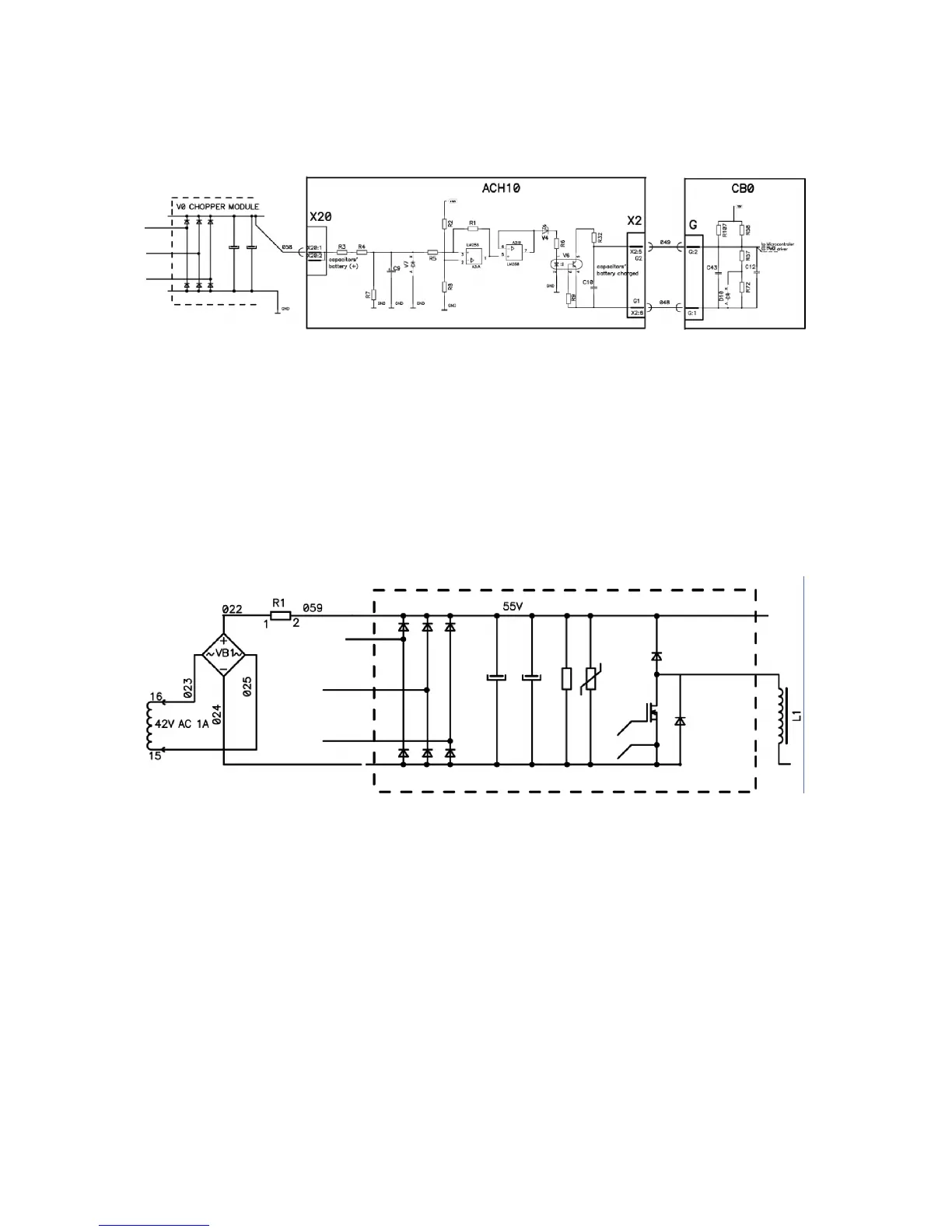
ACH10:4 Pre charging voltage sense
For softer turning--on of main transformer T1 -- chopper module rectifier capacitors
battery is pre--charged before energising contactor K1. Voltage on capacitors is
sensed by comparator A:3A, and optocoupler V6 is turned on when sensed voltage
is more than 44V -- this is signalized by LED diode V4. Voltage across C10 is
turning down by optocoupler -- this is sensed by microcontroller on CB0 trough
input G:2.
Pre charging circuit
Chopper module capacitors battery is pre charged by additional wounding on TC1
transformer. Resistor R1 limits charging current to safe value, and protects TC1
against overloading during welding.

Table of Contents

Related product manuals