EasyManua.ls Logo

ESAB Mig 4002cw - ACH10:3 PWM Driver

ESAB Mig 4002cw
64 pages
Print Icon
To Next Page IconTo Next Page
To Next Page IconTo Next Page
To Previous Page IconTo Previous Page
To Previous Page IconTo Previous Page
Loading...
-- 31 --
1sxx02cw
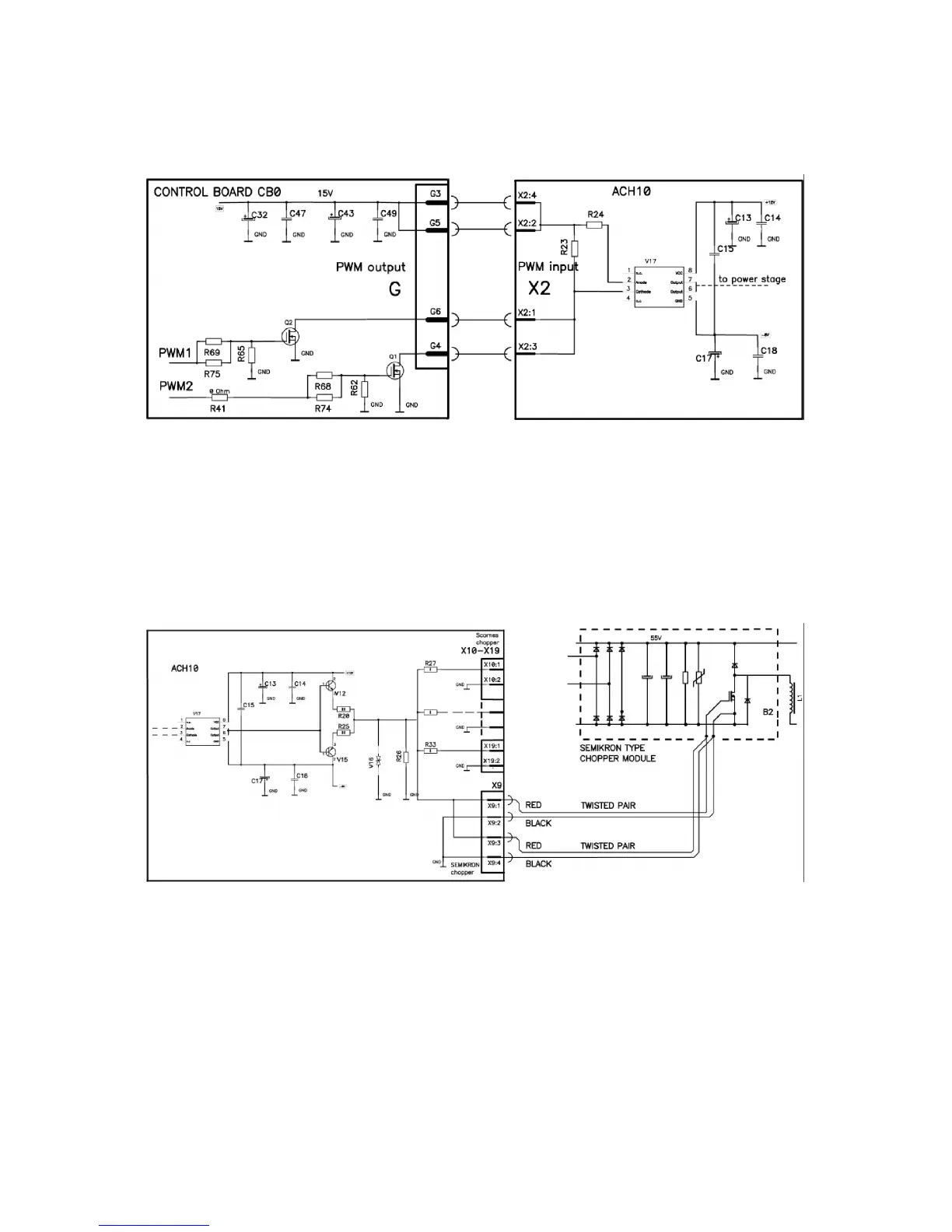
ACH10:3 PWM driver
Input stage
Control board provides PWM signal that drives transistors Q01 and Q02 in chopper
module. Transistors work in push--pull mode. Signal frequency on Q01 and Q02
gates is about 10kHz. Those two transistors have common load R23 on ACH10
board. In result frequency of signal that drives optocoupler V17 is 10kHz+10kHz =>
20kHz. Optocoupler ensures grounds separation of CB0 and ACH10 and provides
signal powerful enough to drive PWM output stage.
Output stage + connections with SEMIKRON chopper type module
Output stage of PWM driver is built on transistors V12,V15 -- this ensures low
impedance output which is necessary for fast switching of transistors in chopper
module. Resistors R20, R25, R27--R33 limit slew rate of output signal. Transil V16
eliminates over and under shots in output signal which can never exceed ±15V.

Table of Contents