EasyManua.ls Logo

ESAB Mig 4002cw - ACH10:7 Cooling Liquid Pump; ACH10:8 Flow Guard

ESAB Mig 4002cw
64 pages
Print Icon
To Next Page IconTo Next Page
To Next Page IconTo Next Page
To Previous Page IconTo Previous Page
To Previous Page IconTo Previous Page
Loading...
-- 34 --
1sxx02cw
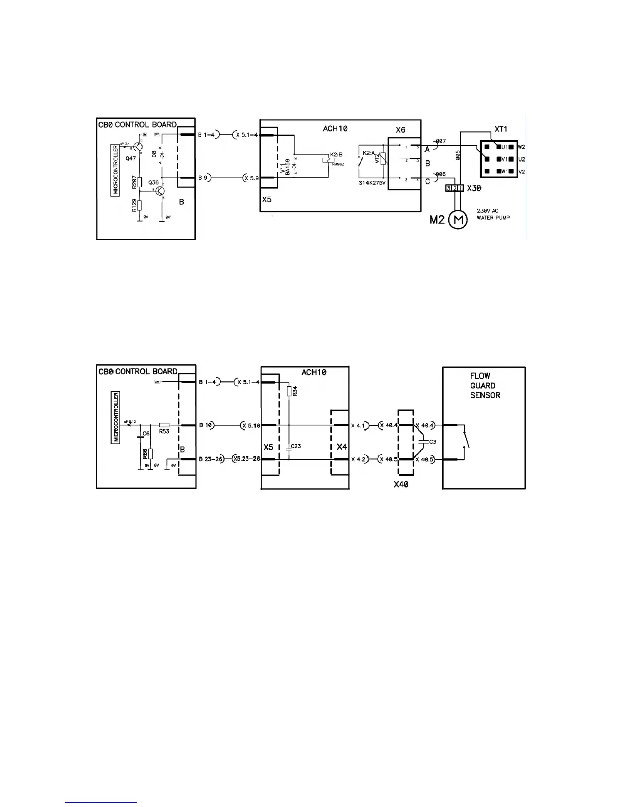
ACH10:7 Cooling liquid pump
Water pump is controlled by microcontroller on board CB0 via transistors Q47,Q36,
relay K2 on ACH10 board.
ACH10:8 Flow guard
When liquid -- cooled torch is connected to wire feeder, board CB0 senses voltage
on pin B10, that pin is pulled up by R34 on board ACH10. Contact in the flow guard
closes when the liquid flow rate exceeds 0.7 l/minute. If liquid is not flowing or the
flow rate is smaller than 0.7 l/minute, an error is displayed and welding process is
stopped.
Machines without a flow guard behave as there was always proper flow rate of
cooling liquid.
All machines without a flow guard, even without liquid cooling system have
connection between X4.1--X4.2.

Table of Contents

Related product manuals