EasyManua.ls Logo

Etel DSC2P - 9 Simplified Regulators Principle

Etel DSC2P
370 pages
Print Icon
To Next Page IconTo Next Page
To Next Page IconTo Next Page
To Previous Page IconTo Previous Page
To Previous Page IconTo Previous Page
Loading...
Operation & Software Manual
72
Direct Drives & Systems
Chapter B: System setup & tuning ETEL Doc. - Operation & Software Manual # DSC2P 903 / Ver. F / 3/6/05
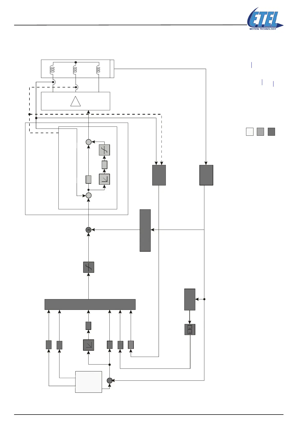
9. Simplified regulator's principle
9.1 General diagram
Force
calculator
Motor position x
Motor speed v
Set point
generator
F force supplied by the motor
Integrator
Limit
Current in phase 1
Encoder
Phase 1
Phase 3
Phase 2
Motor
Speed
estimator
1
st
order
filter (x2)
Current loop : 1, 2 or 3 phases
Fc
Ic
I
1
K80
K81
K1
K2
K4
K21
K20
Motor commutation
look-up table
Position
calculator
K3
Integrator
Limit
K60
X
e
: Position errorX
c
: Position reference
V
c
: Speed reference
F
c
: Force reference
I
c
: Reference of current
X: Motor real position
V: Motor speed
F: Force supplied by the motor
I
1
: Current in phase 1
I
2
: Current in phase 2
Set point generator: sti (refer to §4.
)
Regulator: fti (refer to §4.
)
Regulator: cti (refer to §4.
)
K8
+
-
+
+
+
-
++ + +
-
-
V
c
a
c
I
2
X
X
c
X
e

Table of Contents

Other manuals for Etel DSC2P

Related product manuals