EasyManua.ls Logo

evertz 5601AC02 - Figure 1-1: 5601 ACO2 Block Diagram

evertz 5601AC02
56 pages
Print Icon
To Next Page IconTo Next Page
To Next Page IconTo Next Page
To Previous Page IconTo Previous Page
To Previous Page IconTo Previous Page
Loading...
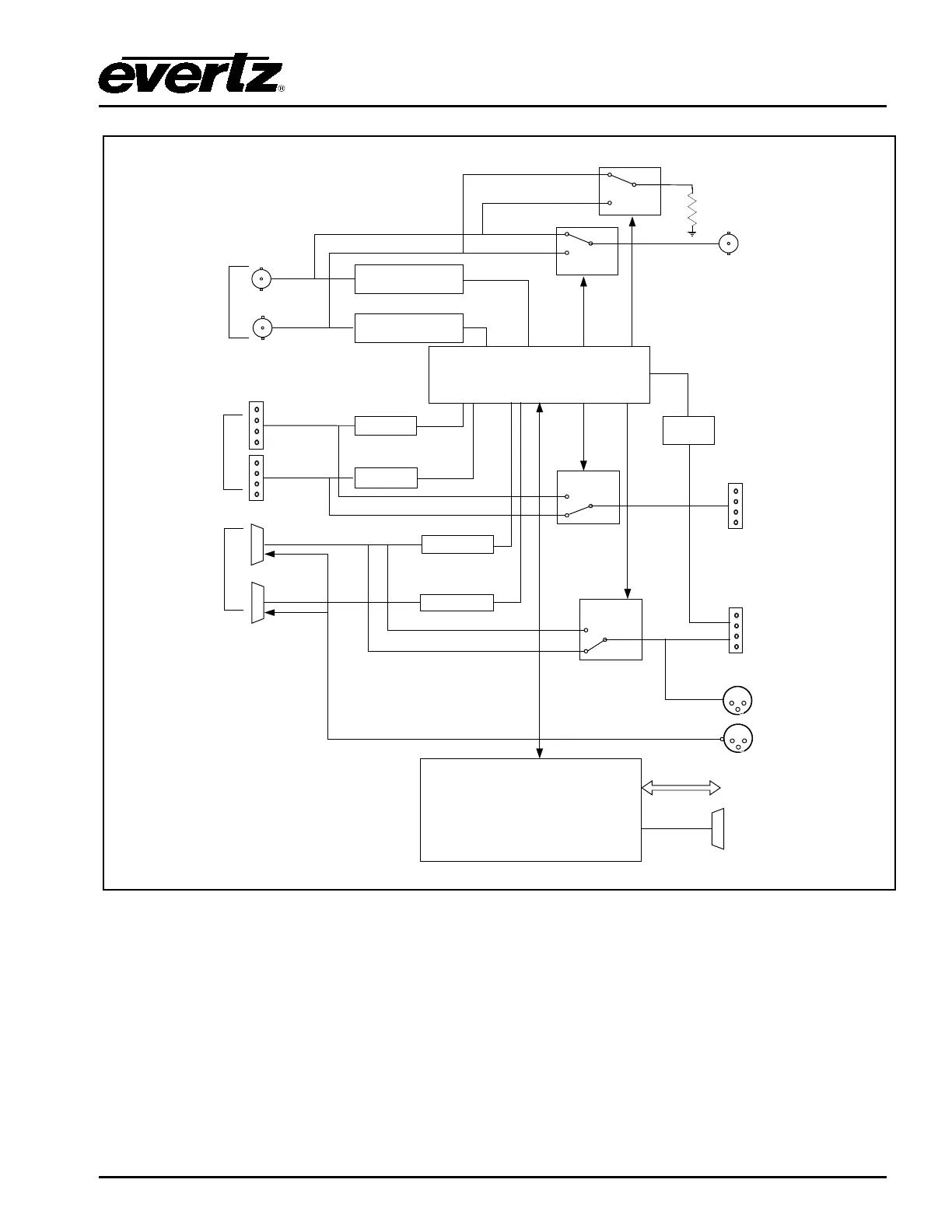
Model 5601ACO2 Automatic Changeover Unit
OVERVIEW Revision 1.2 Page 1-3
3G/HD/SD EQ, VIDEO
SYNC Slicer, 10MHz,
WORDCLOCK Slicer
3G/HD/SD EQ, VIDEO
SYNC Slicer, 10MHz,
WORDCLOCK Slice
AES/DARS Rx
AES/DARS Rx
3G/HD/SD (8),
SYNC (6),
ATG(2), 10MHz,
WORDCLOCK,
UNBAL. AES (2)
UNBAL.DARS
Inputs
BALANCED AES (2),
BALANCED DARS,
ANALOG AUDIO (2)
Inputs
A
B
3G/HD/SD (8),
SYNC (6), ATG(2),
10MHz,
WORDCLOCK,
UNBAL. AES (2)
UNBAL.DARS
Outputs
BALANCED AES (2),
BALANCED DARS,
ANALOG AUDIO (2)
Out
Latching
Relays
VistaLINK
TM
Interface
A
B
GPO
Interface
Format Validation
GPIO Processor
Selector Guide
Latching
Relays
A
B
Internal
termination
(not on 3G/
HD/SD)
LTC/IRIG (2), GPI (2)
Inputs
GPO from processor (2),
GPI from Inputs(2)
Out
LTC Slicer, GPI
LTC Slicer, GPI
LTC/IRIG
(2) Out
CPU
Latching
Relays
Latching
Relays
COM
(RS232)
LTC/IRIG
In
6 dB
attenuatorn
on 3G/HD/
SD
Figure 1-1: 5601ACO2 Block Diagram

Table of Contents

Related product manuals