EasyManua.ls Logo

Ferroli TOR - Διάγραμμα Καλωδίωσης; Διαγράμματα Καλωδίωσης Για Μοντέλα 6, 9 Και 12

Ferroli TOR
184 pages
Print Icon
To Next Page IconTo Next Page
To Next Page IconTo Next Page
To Previous Page IconTo Previous Page
To Previous Page IconTo Previous Page
Loading...
TOR
155
cod. 3542B750 - Rev 05 - 07/2022
EL
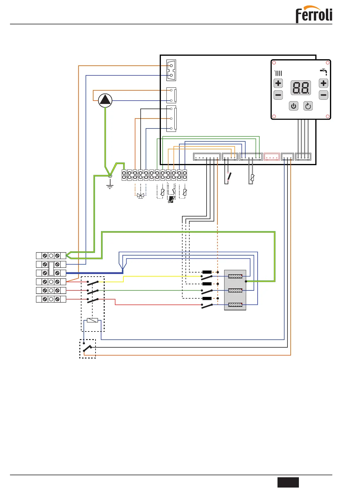
4.6 
4.6.1 





 














2 Θερμοστάτηςασφαλείας(χειροκίνητηεπαναφορά)
3 Αισθητήραςθερμοκρασίαςθέρμανσης
4 Ρελέστερεάςκατάστασης
6 Ασφαλειοδιακόπτης
32 Αντλίακεντρικήςθέρμανσης
95 Βαλβίδαεκτροπής(προαιρετική)
114 Διακόπτηςπίεσηςνερού
138 Αισθητήραςεξωτερικήςθερμοκρασίας(προαιρετικός)
139 Μονάδαχώρου(προαιρετική)
155 Αισθητήραςδοχείουαποθήκευσης(προαιρετικός)
Πριναπότησύνδεσητουθερμοστάτηχώρουήτουτηλεχειριστηρίου,αφαιρέστετονβραχυκυκλωτήρααπότους
ακροδέκτες9-10στομπλοκακροδεκτών.

Table of Contents

Related product manuals