EasyManua.ls Logo

Ferroli TOR - Modele 6, 9 I 12; Schematy Elektryczne

Ferroli TOR
184 pages
Print Icon
To Next Page IconTo Next Page
To Next Page IconTo Next Page
To Previous Page IconTo Previous Page
To Previous Page IconTo Previous Page
Loading...
TOR
cod. 3542B750 - Rev 05 - 07/2022
78
PL
TOR
25
PL
cod. PRELIMINARY 05 - R - 20/05/2022
4.6
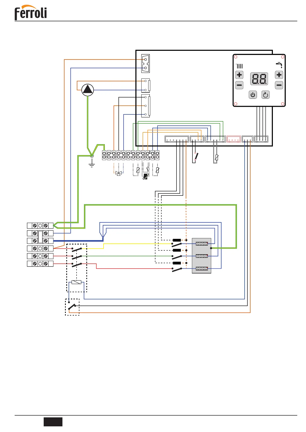
Schematy elektryczne
4.6.1
Modele 6, 9 i 12
legenda
2
termostat bezpieczeństwa (reset
ręczny)
3
czujnik temperatury CO
4
przekaźnik
6
wyłącznik automatyczny
32
pompa obiegowa
rys. 17 - modele 6 - 9 - 12
95
zawór 3 drogowy (opcja)
114
presostat wody
138
sonda temp zewnętrznej (opcja)
139
termostat pokojowy (opcja)
155
czujnik zasobnika (opcja)
Uwaga :
Przed podłączeniem termostatu pokojowego lub zdalnego sterowania czasowego należy zdjąć zworkę z
zacisków 9-10 na listwie zaciskowej.
4.6 SCHEMATY ELEKTRYCZNE
4.6.1 Modele6,9i12





 













Table of Contents

Related product manuals