EasyManua.ls Logo

FlexRadio Systems Tuner Genius XL

FlexRadio Systems Tuner Genius XL
72 pages
To Next Page IconTo Next Page
To Next Page IconTo Next Page
To Previous Page IconTo Previous Page
To Previous Page IconTo Previous Page
Loading...
Page16of 72
Copyright 2021 FlexRadio. All Rights Reserved. 7 June 2021(FW:0.9.12, Utility: 0.9.12)
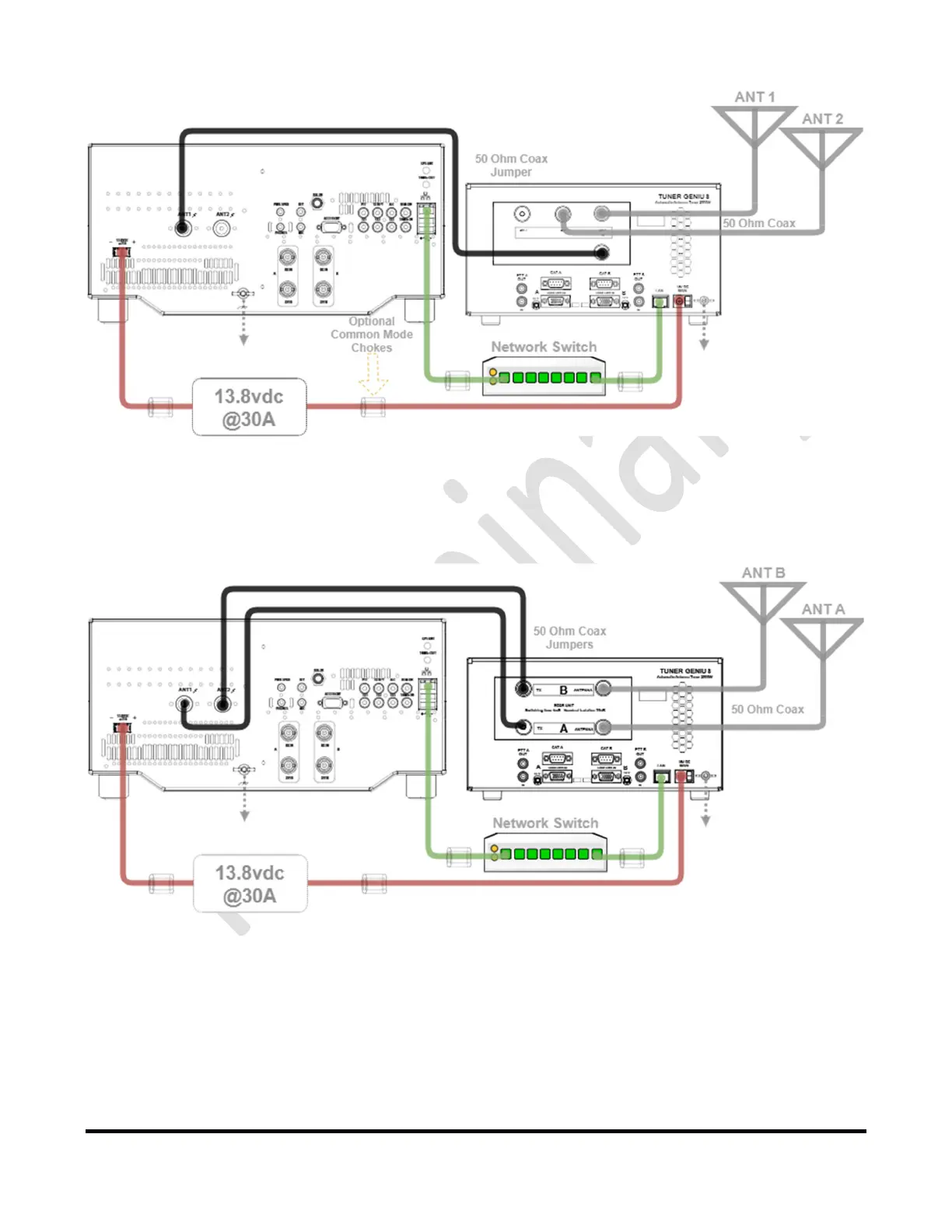
Figure 6-1 Basic 1x3 Connection Diagram
Thetypicalwiringconfigurationforthe1x3tunerisshowninthediagramabove.ThewiringfortheSO2Rtuner
andusingthetunerwiththePowerGeniusXLissimilaranddepictedbelow.
Figure 6-2 Basic SO2R Connection Diagram

Table of Contents